Manuals Directory ManualsDir.com - online owner manuals library
Directory
Brands
Avionics Innovations manuals
Equipment
DMP-100 (MP3 Player) Installation Manual
Manual

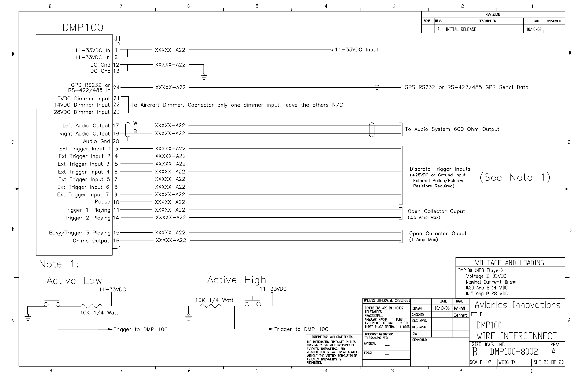
Avionics Innovations DMP-100 (MP3 Player) Installation Manual User Manual

Page 20

  • Text mode
  • Original mode
Advertising
background image
Share
Pages: 1 … 15 16 17 18 19 20
Download
Complain
  • wrong Brand
  • wrong Model
  • non readable
Advertising
See also other documents in the category Avionics Innovations Equipment:
  • ICE 7 WSFPD-A (7 Wide Screen Flat Panel Display) Operation Manual (14 pages)
  • AVS (Audio/Video Switch System) (14 pages)
  • DMP-200 (MP3 Player) Installation Manual (20 pages)
  • DMP-100 (MP3 Player) Operation Manual (24 pages)
  • DMP-300 (MP3 Player) Installation Manual (20 pages)
  • FPD 10 (Flat Panel Display) (11 pages)
  • FPD 12 (Flat Panel Display) (11 pages)
  • Speaker Amp (5 pages)
  • AICD-III (AM/FM CD Player) Operation Manual (6 pages)
  • SSR (Panel Mounted Sirius Satellite Receiver) P/N: SSR019 Installation Manual (9 pages)
  • SSR (Panel Mounted Sirius Satellite Receiver) P/N: SSR019 Operation Manual (7 pages)
  • AM/FM Receiver P/N: 15001-00 (12 pages)
  • AI-CD II P/N: 14001-20 Installation Manual (8 pages)
  • AI-CD II P/N: 14001-20 Operation Manual (20 pages)
  • DVD/AM/FM Receiver P/N: AV2007 Installation Manual (13 pages)
  • AI-FPD-6 with Arm (12 pages)
  • DVD/AM/FM Receiver & 8-Disk CD Changer P/N: AV2006 Operation Manual (14 pages)
  • AI 8-DCU P/N: 11001 Operation Manual (7 pages)
  • AI 8-DCU P/N: 11001 Installation Manual (10 pages)
Home | About Us | Contact Us | ManualsDir DMCA Policy | Brands | Popular manuals | Recently added
Manuals Directory

© 2012–2025, manualsdir.com
All rights reserved.