Manuals Directory ManualsDir.com - online owner manuals library
Directory
Brands
Baja Motorsports manuals
Motorcycles
WR90
Manual

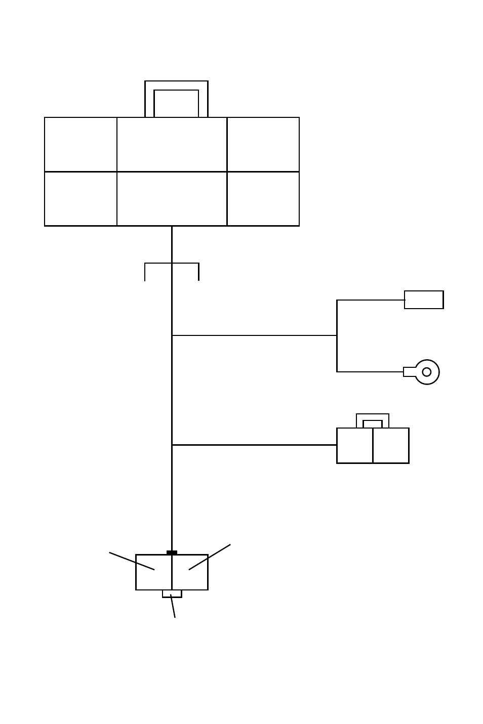
Electrical diagram – Baja Motorsports WR90 User Manual

Page 28

  • Text mode
  • Original mode
Advertising
background image

ELECTRICAL DIAGRAM

Gr B/W

Gr

B/Y

B/Y

Bl/W

B/R

Gr

B/W

Bl/W

Gr

B/R

B: Black

W: White

R: Red

Gr: Green

Bl: Blue

Share
Pages: 1 … 26 27 28 29 30 … 32
Download
Complain
  • wrong Brand
  • wrong Model
  • non readable
Advertising
See also other documents in the category Baja Motorsports Motorcycles:
  • AT150SS Assembly Guide Addendum (2 pages)
  • AT250UT Assembly Guide (24 pages)
  • WD400-U Operator's Manual (89 pages)
  • WD400-U Operator's Manual (83 pages)
  • BA49 Assembly Guide (7 pages)
  • AT250UT Operator's Manual (64 pages)
  • WD90-U Assembly Guide (7 pages)
  • WD400-U Assembly Guide (11 pages)
  • DR125 Assembly Guide (4 pages)
  • X250 (41 pages)
  • DR125 Operator's Manual (39 pages)
  • DR49 Assembly Guide (4 pages)
  • DR49 Operator's Manual (38 pages)
  • MB200 Assembly Guide (20 pages)
  • MB200 Assembly Guide (20 pages)
  • DR50 Operator's Manual (48 pages)
  • BR150-1 Assembly Guide (18 pages)
  • BR150-1 Operator's Manual (55 pages)
  • BR250 (55 pages)
  • MB165-BC Assembly Guide (4 pages)
  • DB30 Operator's Manual (44 pages)
  • SC50 (45 pages)
  • RT50-R Assembly Guide (10 pages)
  • SC150 Assembly Guide (11 pages)
  • SC50 (42 pages)
Home | About Us | Contact Us | ManualsDir DMCA Policy | Brands | Popular manuals | Recently added
Manuals Directory

© 2012–2025, manualsdir.com
All rights reserved.