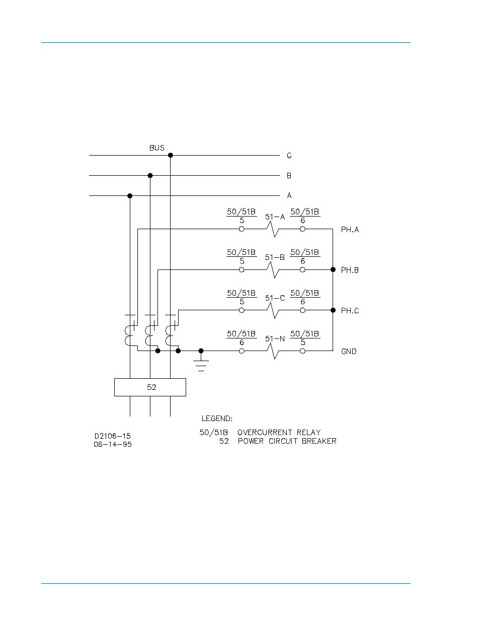
Connections, Connections -2, Figure 4-1. typical ac connections – Basler Electric BE1-50/51B-237 User Manual
Page 34
Advertising
This manual is related to the following products:
See also other documents in the category Basler Electric Relay:
- BE1-11i RTD Module (672 pages)
- BE1-11m Terminals and Connectors (604 pages)
- BE1-11i RTD Module (554 pages)
- BE1-11 DNP3 Protocol (82 pages)
- BE1-11 IEC 61850 Protocol (100 pages)
- BE1-11 Modbus Protocol (186 pages)
- BE1-851 (364 pages)
- BE1-851E DNP3 Protocol (40 pages)
- BE1-851E Modbus Protocol (70 pages)
- BE1-700 (460 pages)
- BE1-700 Modbus Protocol (92 pages)
- BE1-50 (44 pages)
- BE1-50/51B (76 pages)
- BE1-50/51M (74 pages)
- BE1-50/51B-122 (66 pages)
- BE1-50/51B-232 (64 pages)
- BE1-50/51B-231 (60 pages)
- BE1-50/51B-233 (60 pages)
- BE1-50/51B-240 (52 pages)
- BE1-50/51B-241 (52 pages)
- BE1-50/51B-244 (64 pages)
- BE1-50/51B-225 (72 pages)
- BE1-50/51B-228 (68 pages)
- BE1-50/51B-226 (52 pages)
- BE1-50/51B-236 (68 pages)
- BE1-50/51B-239 (76 pages)
- BE1-51 (100 pages)
- BE1-64F (30 pages)
- BE1-51/27C (112 pages)
- BE1-25 (66 pages)
- BE1-51/27R (114 pages)
- BE1-87G (68 pages)
- BE1-59N (40 pages)
- BE3-25 (2 pages)
- BE3-27T/59T (2 pages)
- BE3-27/59 (2 pages)
- BE3-32 (2 pages)
- BE1-32O/U (82 pages)
- BE3-47 (2 pages)
- BE3-37/51 (2 pages)
- BE3-47N/27 (2 pages)
- BE3-49R-3 Inputs (2 pages)
- BE3-49R-6 Inputs (2 pages)
- BE3-49TL (2 pages)