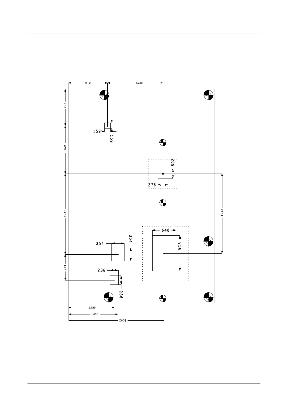
2 pcb: die center – BECKHOFF CB3060 User Manual
Page 105
Advertising
See also other documents in the category BECKHOFF Hardware:
- CB1052 (86 pages)
- CB1061 (124 pages)
- CB2051 (77 pages)
- CB3052 (78 pages)
- CB3053 (69 pages)
- CB3056 (86 pages)
- CB3063 (93 pages)
- CB4053 (75 pages)
- CB4053 (69 pages)
- CB4051 (70 pages)
- CB4052 (73 pages)
- CB4055 (85 pages)
- CB4058 (78 pages)
- CB4060 (114 pages)
- CB4063 (87 pages)
- Onboard SATA RAID (25 pages)
- C1120 (52 pages)
- C1220 (30 pages)
- C1300 (44 pages)
- M1110 (17 pages)
- M1400 (16 pages)
- M1410 (14 pages)
- M1600 (14 pages)
- M2400 (15 pages)
- M2510 (11 pages)
- M3120 (14 pages)
- M6330 (5 pages)
- M9110 (2 pages)
- PT100 (10 pages)
- II/O-Lightbus (9 pages)
- FC7502 (18 pages)
- CX1500-x520 (51 pages)
- FC5102 (95 pages)
- FC9062-0000 (43 pages)
- CU2608 (22 pages)
- FM33xx (39 pages)