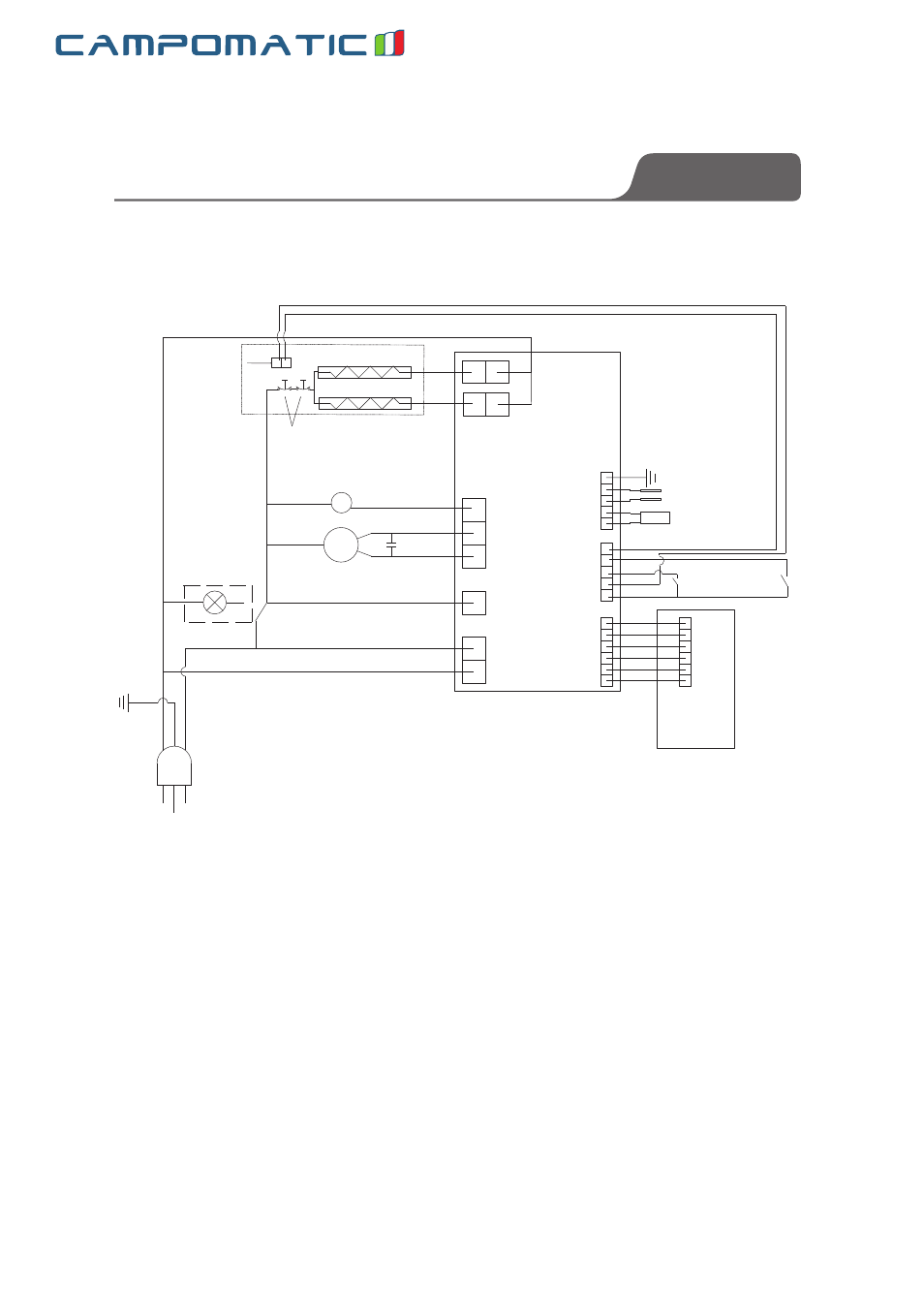
Electric diagram, Cd907i, Appendix – Campomatic CD907I User Manual

Page 23

Advertising
background image

23

CD907I

Appendix

Electric diagram

E

L

N

optional
lamp

Door switch

Capacitance

M

~

Pump

Heater

Temperature
sensor

Th

er

m

al

c

ut

-o

ut

Earth

Guide sensor

Temperature
sensor

Operation
panel

Float switch

Condenser
switch

CN4

CN5

CN6

CN3

CN1

CN2

RY3

RY2

P2

Advertising