Figure 21: rs232 display layout, Figure 22: rs232 controller board – Daktronics AF-3197-89-RGB User Manual

Page 32

Advertising
background image

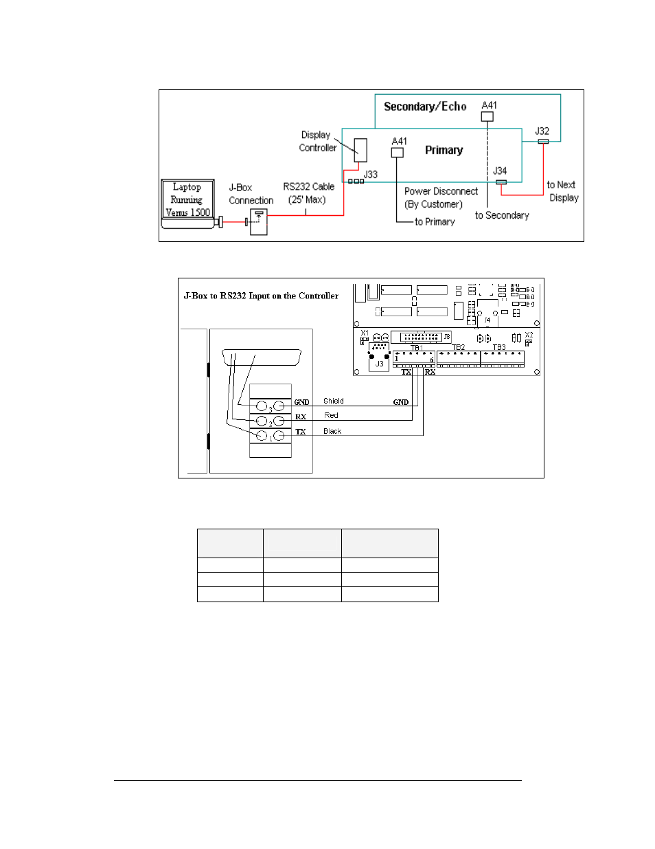
Figure 21: RS232 Display Layout

J-Box to Controller Board

Figure 22: RS232 Controller Board

J-Box

Field Cabling

Controller Board

TB1 (RS232 In)

Pin 1 (TX-P)

Black

Pin 5 (RX-1)

Pin 2 (RX-P)

Clear/Red

Pin 3 (TX-1)

Pin 3 (GND)

Shield

Pin 4 (GND-N)

Electrical Installation

3-10

Advertising
This manual is related to the following products: