Manuals
Directory
ManualsDir.com
- online owner manuals library
Search
Directory
Brands
Gullco manuals
Equipment
GK-189-045
Manual
Kat ii control board schematic – Gullco GK-189-045 User Manual
Page 11
Text mode
Original mode
Advertising
9
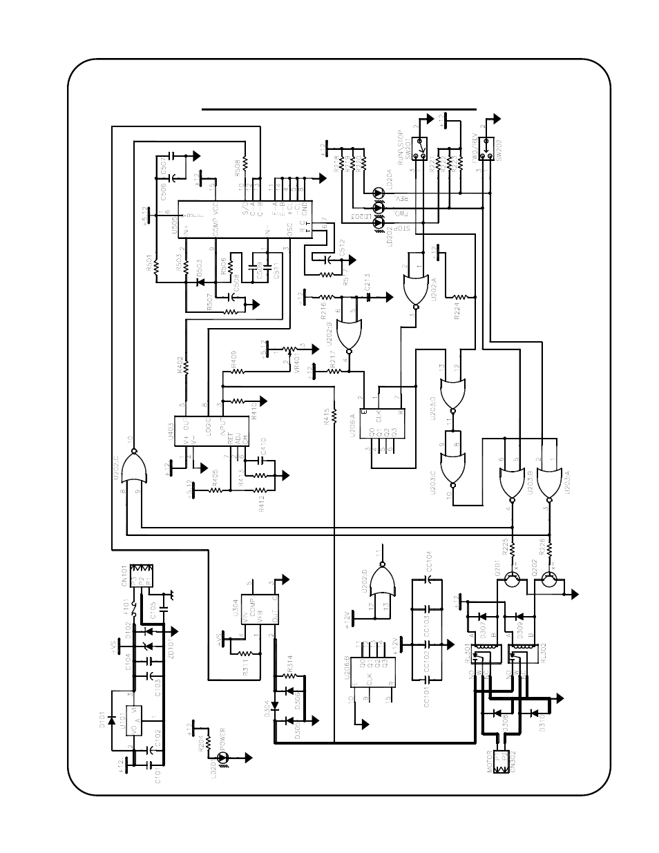
KAT II CONTROL BOARD SCHEMATIC
DRAWING NUMBER GK-189-050
REVISION 4
Share
Pages:
1
…
9
10
11
12
13
…
18
Download
Complain
wrong Brand
wrong Model
non readable
Advertising
See also other documents in the category Gullco Equipment:
GP-300
(12 pages)
GP-350
(20 pages)
KR-750
(32 pages)
SAM CM-02-250
(34 pages)
GM-03-350
(20 pages)
GK-203-800-100
(30 pages)
GK-200-FHx-R
(20 pages)
GK-200-FHx-A
(20 pages)
GK-200-FHx-I
(20 pages)
KBM-28U
(16 pages)
GK-200-RH
(50 pages)
PK-500-LW-x
(56 pages)
1000
(10 pages)
125
(2 pages)
KBM-18U
(16 pages)
350A
(2 pages)
10B20
(6 pages)
50-220-S
(6 pages)
KBM-28
(58 pages)