Hoist Fitness HD-1700 User Manual
Page 17
Advertising
Page - 16
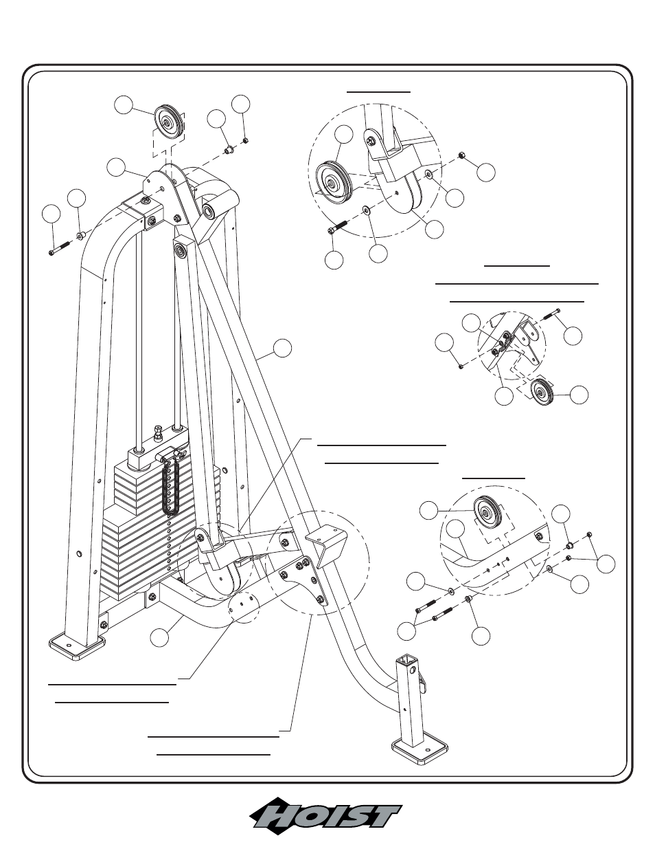
HD1700 Assembly
OW N E R S
M A N U A L
*SEE DETAIL -A- FOR
PULLEY ASSEMBLY.
*SEE DETAIL -A- FOR
PULLEY ASSEMBLY.
DETAIL -A-
DETAIL -A-
CT
CD
8
BB
AB
K
5
L
2
CT
BB
D
CD
AB
BB
AB
CC
CD
CC
AB
D
6
6
CT
DETAIL -C-
ROTATED AND PLATE CUT
AWAY FOR CLARITY.
DETAIL -C-
ROTATED AND PLATE CUT
AWAY FOR CLARITY.
BB
CD
*SEE DETAIL -B- FOR
PULLEY ASSEMBLY.
*SEE DETAIL -B- FOR
PULLEY ASSEMBLY.
DETAIL -B-
DETAIL -B-
*SEE DETAIL -C- FOR
PULLEY ASSEMBLY.
*SEE DETAIL -C- FOR
PULLEY ASSEMBLY.
5
Advertising
See also other documents in the category Hoist Fitness Sports and recreation:
- CF-OPT-01 (30 pages)
- CF-OPT-01 (22 pages)
- CF-3461-1 (27 pages)
- CF-3163 (21 pages)
- CF-OPT-01 (33 pages)
- CF-3165 (35 pages)
- CF-3172 (23 pages)
- CF-3264 (30 pages)
- CF-3252 (29 pages)
- CF-3461-1 (26 pages)
- CF-OPT-02 (2 pages)
- CF-3443 (23 pages)
- CF-3355 (55 pages)
- CF-3444 (22 pages)
- CF-3461-3 (20 pages)
- CF-3367-A (29 pages)
- CF-3462-2 (20 pages)
- CF-3465 (27 pages)
- CF-3950 (22 pages)
- CF-3753 (47 pages)
- CF-3754 (39 pages)
- HD-3100 (39 pages)
- HD-3200 (46 pages)
- HD-3300 (45 pages)
- CF-3550 (23 pages)
- CF-3661-A (28 pages)
- HD-3400 (44 pages)
- CF-3960 (21 pages)
- CF-3962-OPT (24 pages)
- HD-3403 (43 pages)
- HD-3600 (42 pages)
- HD-3800 (44 pages)
- HF4145 (15 pages)
- HF4164 (13 pages)
- HD-3900 (37 pages)
- HF4167 (37 pages)
- HF4363 (17 pages)
- HF4261 (23 pages)
- HF4263 (25 pages)
- HD‐3700 (57 pages)
- HF4444 (23 pages)
- HF4459 (25 pages)
- HF4460 (25 pages)
- HF4461-36 (31 pages)
- HF4461-48 (31 pages)