Insinger Ensign 40-2 User Manual

Page 18

Advertising
background image

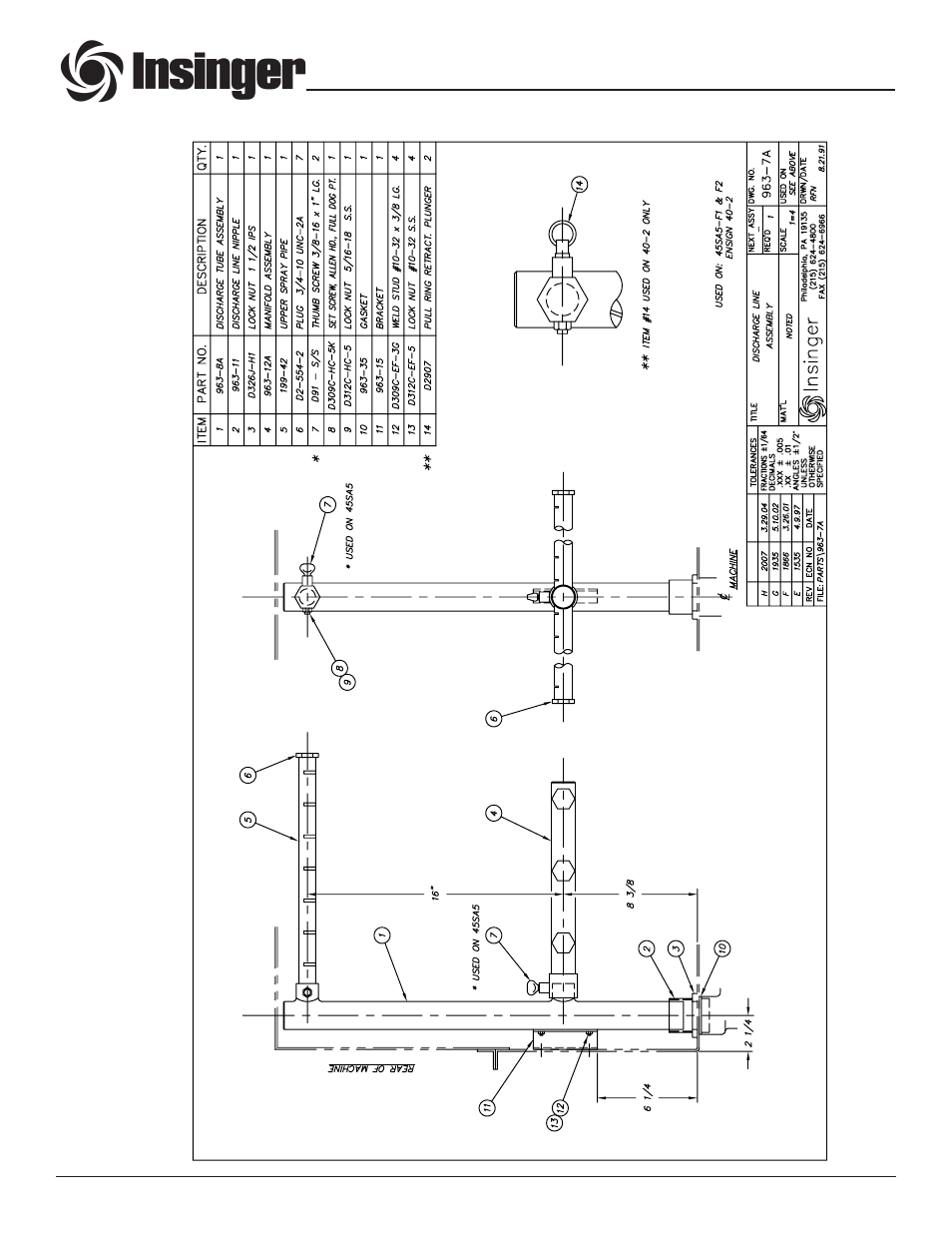
PART 4 ELECTRICAL SCHEMATICS

& REPLACEMENT PARTS

®

www.insingermachine.com 800-344-4802

16

Ensign_40-2_TM2009

Advertising