Insinger Commander 18-6 User Manual

Page 26

Advertising
background image

DoorTypeTM2013

www.insingermachine.com 800-344-4802

24

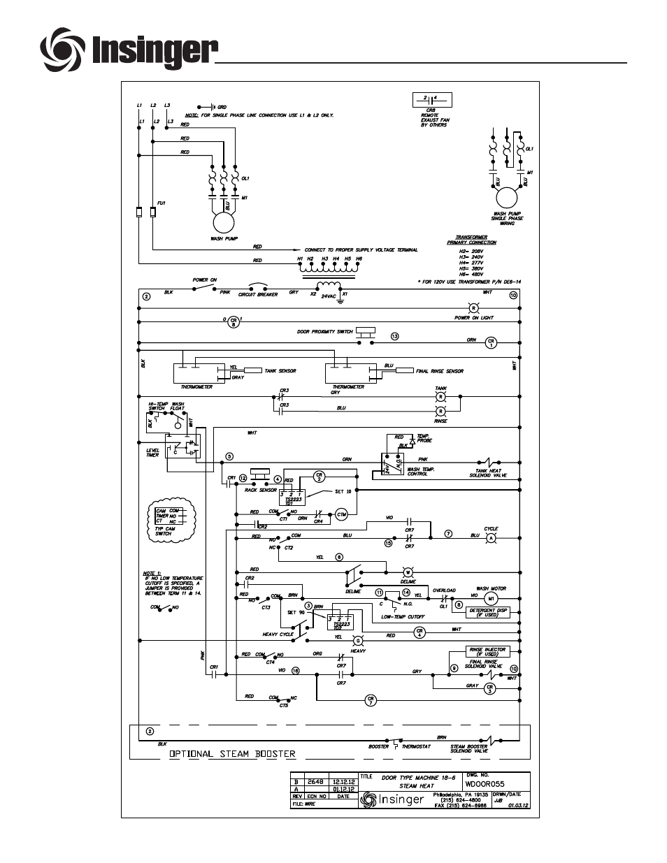
PART 4 ELECTRICAL SCHEMATICS

& REPLACEMENT PARTS

®

Advertising
This manual is related to the following products: