Manuals
Directory
ManualsDir.com
- online owner manuals library
Search
Directory
Brands
MMD Equipment manuals
Air equipment
100S-6B4
Manual
Piping diagram – MMD Equipment 100S-6B4 User Manual
Page 62
Text mode
Original mode
Advertising
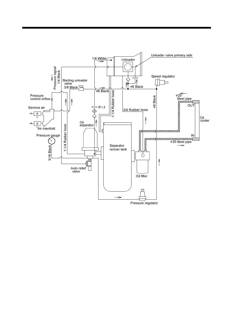
10. Piping Diagram
10-2
PDS130S-6B4
A050222E-1
Share
Pages:
1
…
60
61
62
63
64
65
Download
Complain
wrong Brand
wrong Model
non readable
Advertising
This manual is related to the following products:
130S-6B4
185S-6B4
See also other documents in the category MMD Equipment Air equipment:
185S-5C2 part 2
(29 pages)
185S-5C2 part 1
(36 pages)
185S-6C1
(65 pages)
185S-6C2
(66 pages)