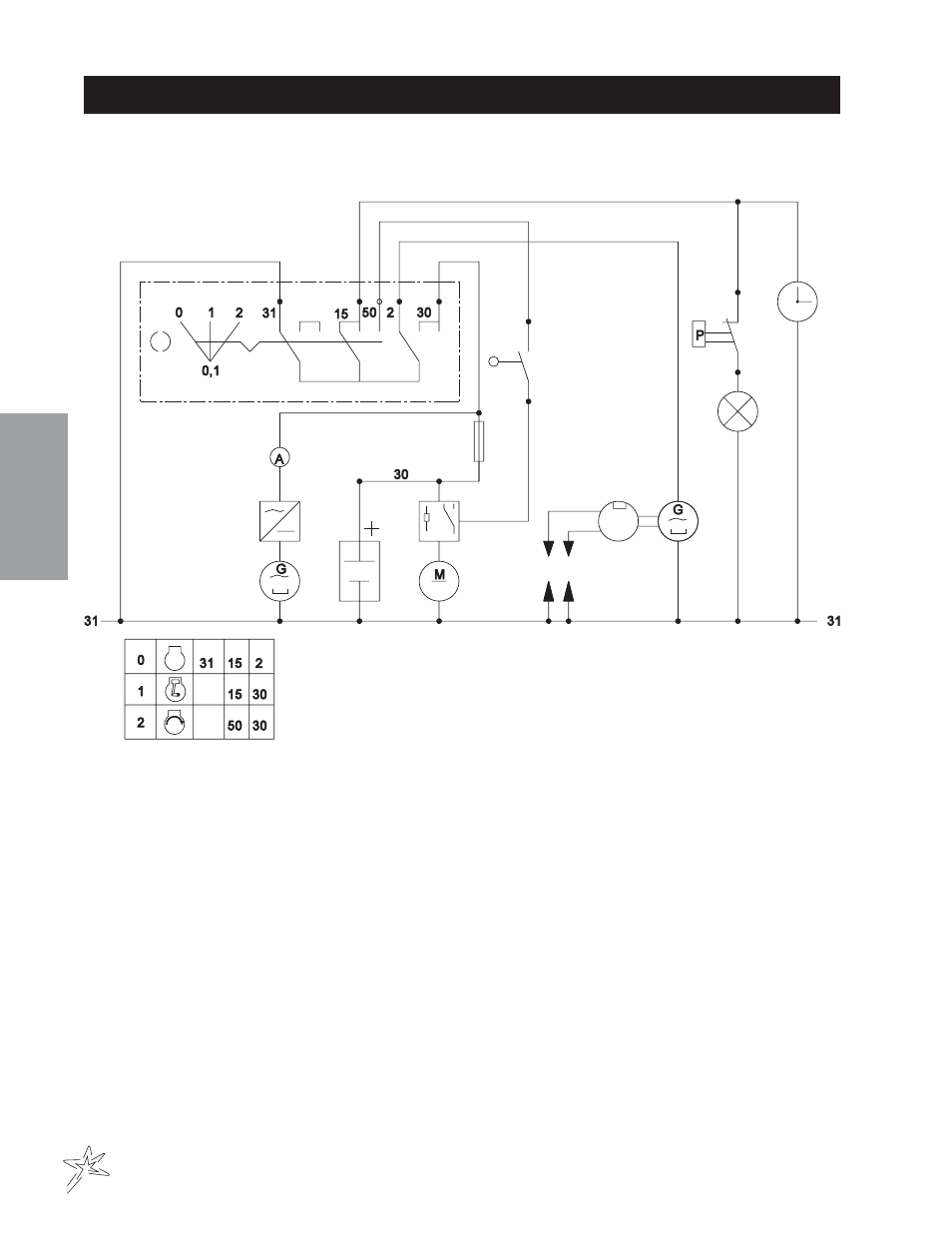
Wiring schematic – Smithco Super Rake 13-55х (sn 6329 – 6449/1136 -1199) Parts & Service Manual User Manual
Page 18
Advertising
This manual is related to the following products:
See also other documents in the category Smithco Special machinery:
- Super Star LE 42-400-A Operator Manual (2009 -2013) (31 pages)
- Super Star 42-000-F Operator Manual 2015 (25 pages)
- Super Star LE 42-400-A Operator Manual (2009 -2013) (26 pages)
- Supreme 36-000 Maintenance Manual (33 pages)
- Diesel Super Rake 17-001-B (sn 2621 – 2635) Parts & Service Manual (108 pages)
- Super Rake 13-55х (sn 6595 – Current/1302 – Current) Parts & Service Manual (112 pages)
- Diesel Super Rake 17-001-E (sn 2722 – current) Parts & Service Manual (110 pages)
- Supreme 36-000 Accessories Manual (112 pages)
- Super Star Diesel 43-500 (sn 14560 – 14579) Parts & Service Manual (166 pages)
- Sand Star Zee (ZTR) 45-501-A Parts & Service Manual (67 pages)
- Super Rake 13-55х (sn 6314 – 6328/1134 – 1135) Parts & Service Manual (124 pages)
- Sand Star III 45-003 Parts & Service Manual (160 pages)
- Super Star LE 42-400-A (sn 400356 – Current) Parts & Service Manual (169 pages)
- Super Star 42-001-E (SN13915 – Current) Parts & Service Manual (162 pages)
- Super Star 42-000-E (sn 6379 – 6389) Parts & Service Manual (167 pages)
- Super Star 42-00x (sn 4602 – 4660/12588 – 12627) Parts & Service Manual (128 pages)
- Super Star 42-00x (sn 5261 – 5340/12970 – 13039) Parts & Service Manual (136 pages)
- Super Star 42-00x (sn 6379/13855 – 6389/13894) Parts & Service Manual (172 pages)
- Super Star 42-000-F (sn 6390 -Current) Parts & Service Manual (166 pages)
- Super Star X-treme Diesel 43-001 (sn 14215 – 14269) Parts & Service Manual (160 pages)
- Super Star X-Treme Gas 43-000-x (sn 43057 – 43078) Parts & Service Manual (112 pages)
- Super Star X-Treme Gas 43-000-x (sn 43365 – 43374) Parts & Service Manual (162 pages)
- Supreme 36-000-A Operator Manual (26 pages)
- Supreme 36-000 (sn 201949) Parts & Service Manual (110 pages)
- Supreme 36-000-B (sn 201954) Parts & Service Manual (114 pages)
- AER 8 Aerifier (sn 013 – Current) Operator Manual (38 pages)
- V-Star 94-401 (Sn V192) Operator Manual (19 pages)
- Mow-N-Go Greensmower Trailer Model 3405 Operator Manual (2005) (16 pages)
- Mow-N-Go Greensmower Trailer Model 3405 Operators Manual (2013) (20 pages)
- V-Star 94-401 (Sn V192) Parts & Service Manual (18 pages)
- Super Liner 44-901 Operator Manual (26 pages)
- Line Star 44-508 (Sn LN666) Operator Manual (17 pages)
- Super Star X-Treme Gas 43-000-x (sn 43375 – Current) Parts & Service Manual (163 pages)
- FairWay Roller 12-500-A Parts & Service Manual (30 pages)
- Tournament Roller 7575 Operator Manual (33 pages)
- Tournament Express Roller 7506 Parts & Service Manual (12 pages)
- Tournament Roller Ultra Lite 7575 Parts & Service Manual (22 pages)
- Envizio Pro II Quick Reference Guide (18 pages)
- Turf Spraying Guide (33 pages)
- Switch Pro Installation & Operation Manual (36 pages)
- Envizio Pro II Installation & Operation Manual (232 pages)
- Spray Star 1010 Aug 2013 Operator Manual (34 pages)
- Spray Star 1000 (sn 100325 – 100402) Parts & Service Manual (128 pages)
- Spray Star 1011 Parts & Service Manual (114 pages)