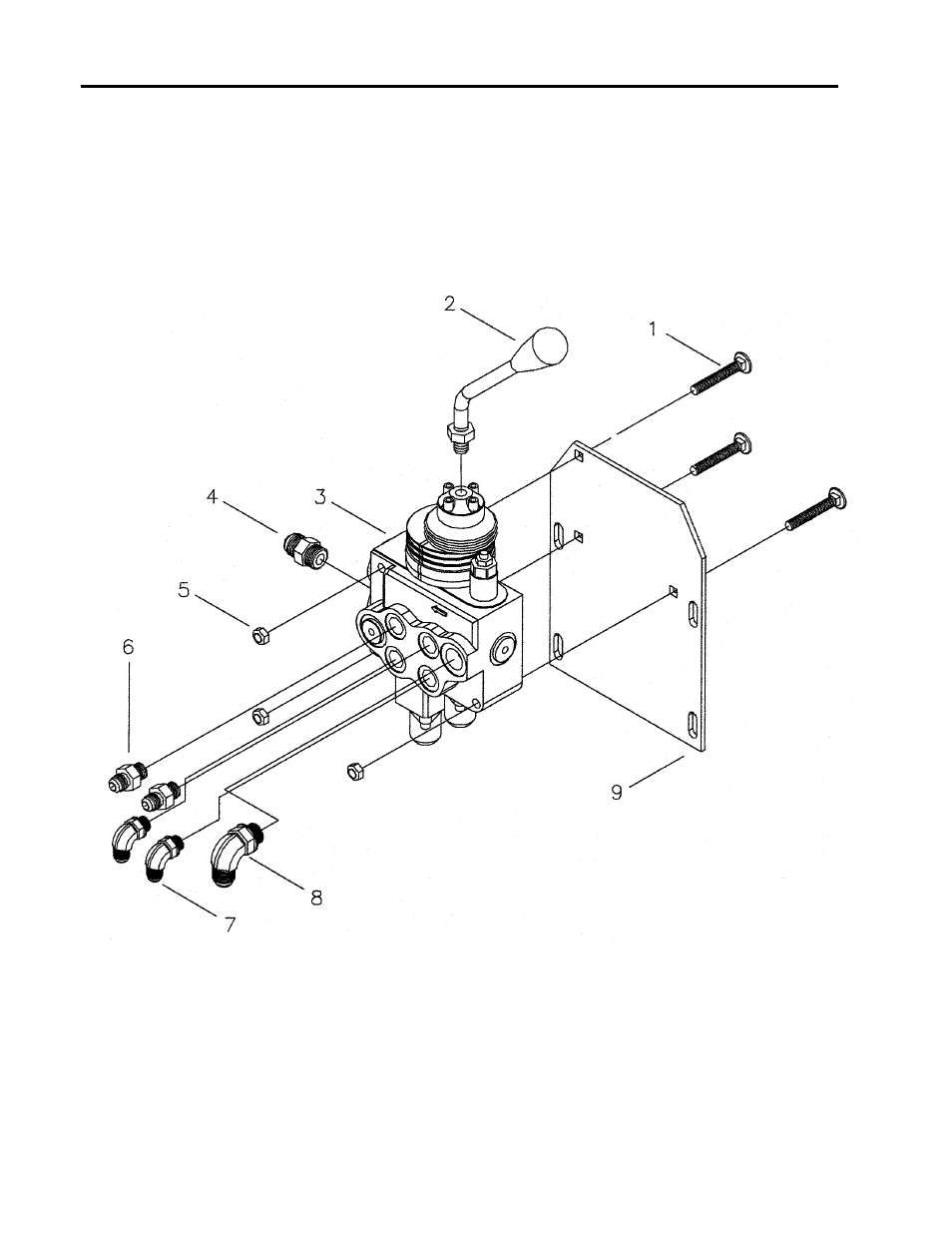
Loader valve and handle assembly – Allmand Brothers TLB35D User Manual
Page 22
Advertising
See also other documents in the category Allmand Brothers Equipment:
- MH1000 IDF (46 pages)
- MLEX20-30KW V (28 pages)
- MLEX20-30KW V (41 pages)
- I HYDRAULIC (26 pages)
- 15-20 V - MLV15-20 HYDRAULIC (26 pages)
- NL6330 (28 pages)
- ML6-8 LD (87 pages)
- ML15-20 LD (121 pages)
- VSERIES HYDRAULIC (26 pages)
- MB 6100 (76 pages)
- 2220/SE (46 pages)
- NL6330 (87 pages)
- MINE SPEC (80 pages)
- NIGHT LITE PRO LD (88 pages)
- NIGHT LITE PRO LD (54 pages)
- NL PRO II (174 pages)
- NIGHT LITE PRO V (51 pages)
- NIGHT LITE PRO V (67 pages)
- NIGHT LITE PRO V (39 pages)
- NIGHT LITE PRO II LD (10 pages)
- NIGHT LITE PRO II V (13 pages)
- PAL (14 pages)
- PAL4000 (34 pages)
- Allmand 7.5 FT BACKHOE (32 pages)
- Allmand 8.5 10 FT BACKHOE (41 pages)
- Allmand 8.5 10 FT BACKHOE (31 pages)
- TLB 408 BACKHOE (93 pages)
- TLB 509A BACKHOE (58 pages)
- TLB 225 (51 pages)
- TLB 225 (108 pages)
- TLB25D (91 pages)
- TLB25K (88 pages)
- TLB6235 Tractor (42 pages)
- TLB6235 Tractor (80 pages)