ShoreLand'r LER46TCBS User Manual
Page 6

Midwest Industries, Inc.
Ida Grove, IA 51445
800.859.3028
www.shorelandr.com
0003299
REV B 2/22/06
Page 6
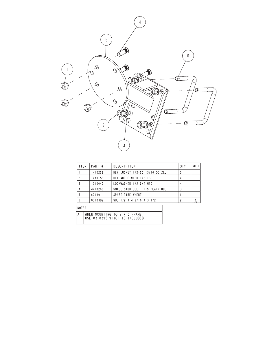
SPARE TIRE BRACKET
The first step in mounting the spare tire bracket is to determine the cor-
rect orientation of the trailer. Standing at the rear of the trailer and look-
ing forward, your right hand is the right-hand side of the trailer.
Mount the spare tire bracket on the right-hand side frame of your
trailer at a location somewhere between the very front of the frame
and the first cross member. The exact positioning is dependant
upon the size and style of your boat.
Once identified, attach the spare tire bracket to the side frame using
the U-bolts provided in the kit. Note that the spare tire bracket is de-
signed to fit both 2” x 4” and 2” x 5” side frames. Use the 1/2” x 4-9/16”
x 3-1/2” U-bolt when mounting to the 2” x 4” side frame and the 1/2”
x 5-9/16” x 3” U-bolts when mounting to the 2” x 5” side frame.
Place the U-bolts over the side frame in the desired location. Match
the holes in the spare tire bracket with the U-bolts just placed over
the side frame. Slide the spare tire bracket over the U-bolts. Secure
using 1/2” lockwashers and hex nuts. Tighten when desired loca-
tion is achieved.
The spare tire bracket is designed to fit a 5 bolt on 4.5” bolt circle
pattern wheel. Note that there are only three stud bolts in the spare
tire bracket which are sufficient to carry the tire and wheel assem-
bly. Align the three studs with the holes in the wheel assembly and
secure the wheel assembly to the spare tire bracket with three- 1/2”
tapered lug nuts provided in the kit. Tighten securely to make sure
the wheel assembly does not come loose and fall off while trans-
porting the trailer.
Installation is complete.