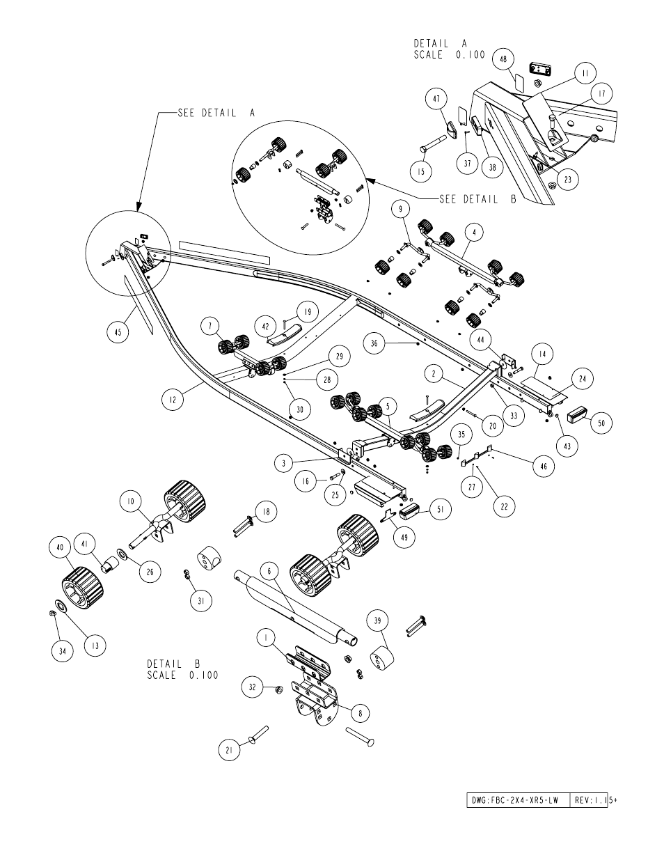
Diagram a – ShoreLand'r LEXR29CBLW User Manual

Page 2

Advertising
background image

Midwest Industries, Inc.

Ida Grove, IA 51445

800.859.3028

www.shorelandr.com

0003296

Page 2

REV B 2/24/06

Diagram A

Advertising
This manual is related to the following products: