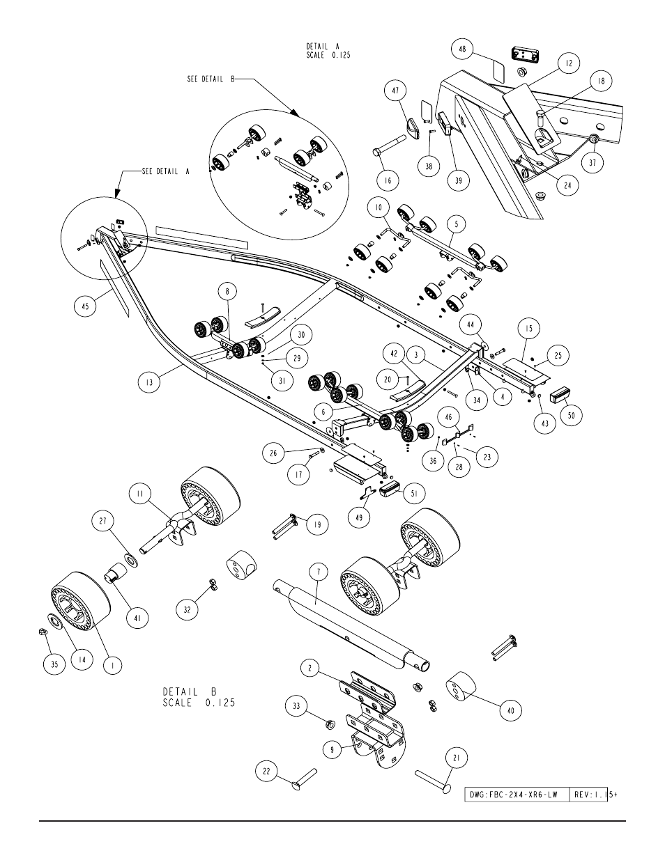
Diagram a – ShoreLand'r LEXR40TCBBLW User Manual
Page 2
Advertising
See also other documents in the category ShoreLand'r Trailers:
- 0003858-3 (2 pages)
- SLV20S (32 pages)
- SS1024 (58 pages)
- SLF20LW (8 pages)
- SS1024 (8 pages)
- SS1024 (32 pages)
- PWC1000 V.2 (4 pages)
- SLRB55TBB (30 pages)
- 5 NB Swing Tongue (2 pages)
- 5 Brake Swing Tongue (2 pages)
- 64940 5 Roller (1 page)
- 69175 Keel Cradle (2 pages)
- 700SP (4 pages)
- ADSS-8 (7 pages)
- B2313BS (12 pages)
- SLB46TBBAL (11 pages)
- SLB40TBBAL (14 pages)
- SLB46TBBAL (14 pages)
- SLB46TBAL (18 pages)
- SLB82TAL (13 pages)
- SLB60TAL (14 pages)
- SLB70TAL (13 pages)
- SLB82TAL (13 pages)
- SLXR82TAL (16 pages)
- B2313L (10 pages)
- B2313LW (10 pages)
- B2313S (10 pages)
- B2314L (10 pages)
- B2313SW (10 pages)
- B2314LW (10 pages)
- B2314S (10 pages)
- B2314SW (10 pages)
- B30BL (12 pages)
- B30BLW (12 pages)
- B30BS (12 pages)
- B30BSW (12 pages)
- B30BXLW (12 pages)
- B34BXLW (12 pages)
- SLB40TABXLW (12 pages)
- SLB40TABXLW (14 pages)
- Brake Swing Tongue (2 pages)
- B40TBXLW (12 pages)
- Disc Brake Lockout (2 pages)
- DK2446TB (4 pages)
- LEB22CLW V.1 (12 pages)