MEDC FL11 User Manual
Page 16

01/12
© Cooper MEDC 2011
Todos os passa-cabos devem ter uma classificação NEMA/IP equivalente à do avisador óptico e devem
integrarse com a unidade de forma a que a classificação se mantenha.
O terminal de terra interno, sempre que existente, deve ser usado para a ligação do equipamento à terra.
Após a cablagem, volte a colocar a cobertura com cuidado na base sem danificar as superfícies de contacto.
Volte a colocar os 6 parafusos M5 (chave Allen de 4,0 mm) nos orifícios da cobertura e aperte-os uniformemente.
Certifique-se de que o O-ringue esteja assente correctamente na cobertura durante a remontagem.
Assegure uma folga máxima de 0,2 mm entre a cobertura e a caixa após a montagem.
3.0 UTILIZAÇÃO
A tensão de serviço da unidade encontra-se indicada na etiqueta da unidade. A unidade só pode ser ligada
directamente.
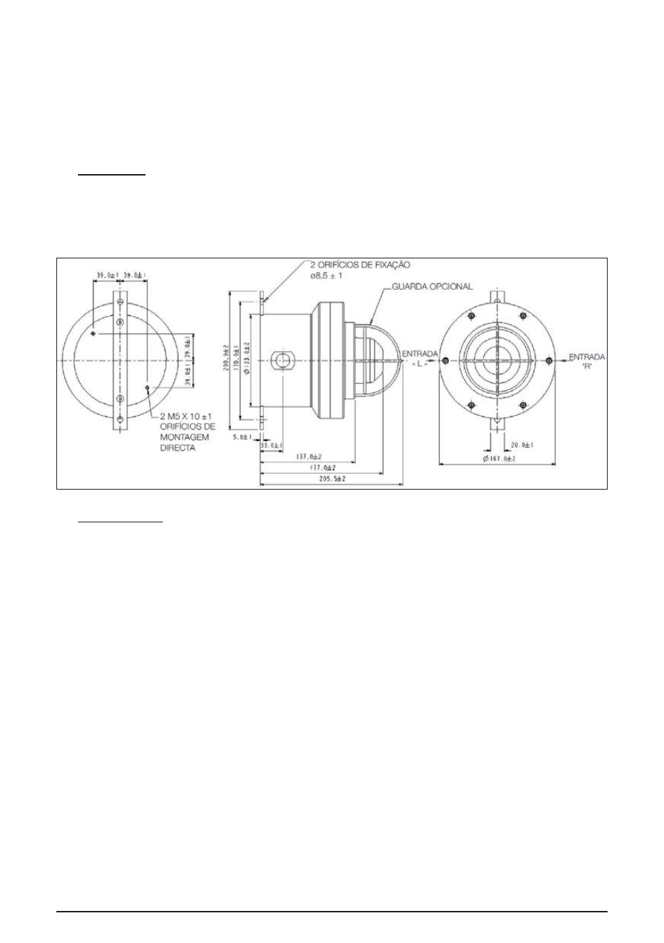
GENERALIDADES
4.0 MANUTENÇÃO
Durante a sua vida útil, a unidade precisará de pouca ou nenhuma manutenção. O poliéster reforçado
com fibra de vidro é resistente à maioria dos ácidos, alcalinos e químicos, bem como a ácidos e alcalinos
concentrados e à maior parte dos produtos metálicos.
No entanto, se ocorrerem condições ambientais anormais ou invulgares devido a danos ou um acidente
nas instalações etc., recomenda-se uma inspecção visual.
Se for necessário limpar a unidade, limpe apenas o exterior com um pano húmido para impedir que se
crie electricidade estática.
A substituição do tubo fluorescente (ver mais abaixo) pode ser realizada por técnicos competentes
pertencentes ao local de instalação. Nas unidades de c.c., é necessário um conjunto electrónico de
substituição porque o tubo fluorescente está soldada directamente na placa do circuito. Para quaisquer
outras reparações, devolva a unidade à MEDC ou peça a um técnico de reparação autorizado de
equipamentos com certificação Ex.
Se ocorrer uma falha da unidade, a mesma poderá ser reparada pela MEDC. Todas as peças da unidade
são substituíveis.
Se adquiriu um elevado número de unidades, recomenda-se que obtenha também peças sobresselentes.
Contacte os Engenheiros Técnicos de Vendas da MEDC para determinar os seus requisitos.
!
!
!
!
!
!
!
!
!
!
!
!
!