MEDC DB10 User Manual

Page 23

Advertising
background image

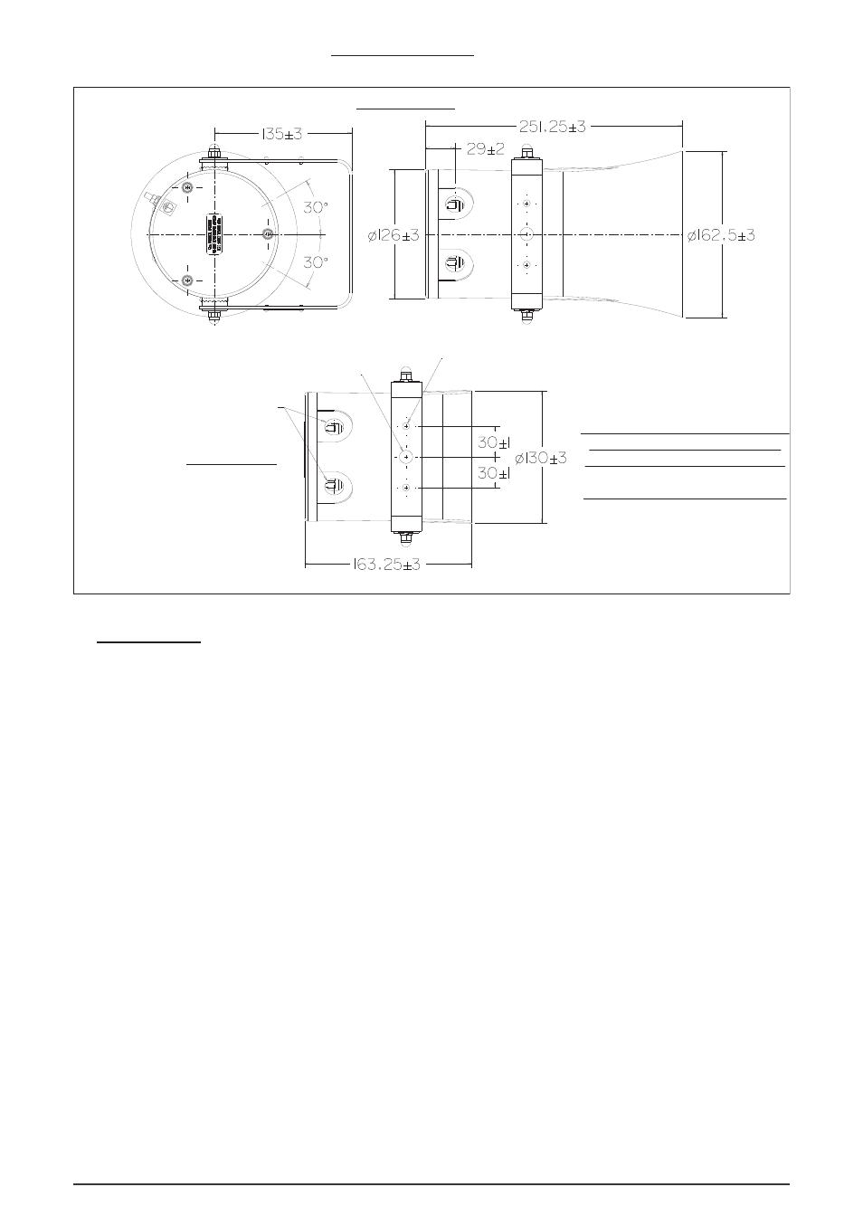
DISPOSIÇÃO GERAL

4.0 MANUTENÇÃO

Durante a vida útil da unidade, esta deve precisar de pouca ou nenhuma manutenção. A GRP vai resistir a
ataques por parte da maioria dos ácidos, álcalis e químicos e é resistente a ácidos e álcalis concentrados, tal
como a maioria dos produtos de metal. Porém, se ocorrerem condições ambientais anormais ou invulgares
devido a danos ou acidentes na central, etc., então, é recomendável fazer-se uma inspecção visual.

Se for necessário limpar a unidade, limpe apenas o exterior com um pano húmido para evitar a acumulação de
carga electrostática. Caso ocorra uma falha na unidade, esta pode ser reparada pela MEDC. Todas as peças da
unidade são substituíveis. Se adquiriu uma quantidade significativa de unidades, recomenda-se que as peças
sobresselentes também sejam disponibilizadas. Por favor, discuta os seus requisitos com os Engenheiros
Técnicos de Vendas na MEDC.





























© Cooper MEDC 2011

08/11

VERSÃO 15W

ORIFÍCIO DE FIXAÇÃO

Ø13±1

ENTRADAS JUNTA:

2 NO MÁX.

VERSÃO 8W

ORIFÍCIOS DE FIXAÇÃO

Ø7±1

TODAS AS DIMENSÕES SÃO IDÊNTICAS

ENTRE OS DOIS TIPOS DE UNIDADE,

SALVO SE EXPRESSO EM CONTRÁRIO

TODAS AS DIMENSÕES ESTÃO EM mm

2 POSIÇÕES

Advertising