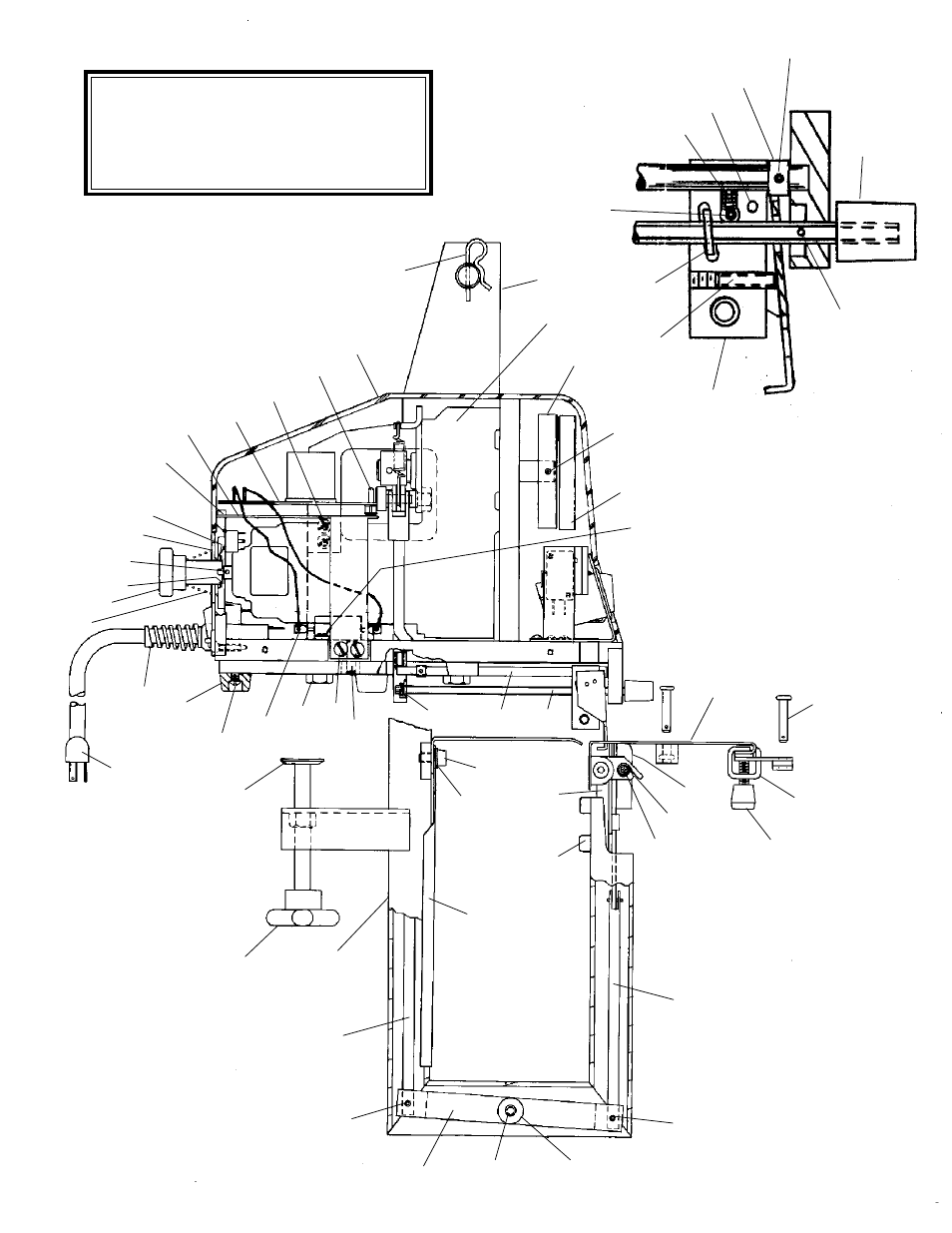
Parts list – MBM Corporation BINDERYMATE 2 User Manual
Page 37
Advertising
See also other documents in the category MBM Corporation Equipment:
- TRIUMPH 5260 (36 pages)
- IDEAL 4002 (11 pages)
- IDEAL 2404 (56 pages)
- TRIUMPH 4860 (48 pages)
- IDEAL 0101 HDP (20 pages)
- IDEAL 0201 OMD (40 pages)
- IDEAL 2403 (28 pages)
- IDEAL 3105 SMC (44 pages)
- IDEAL 2502 (11 pages)
- IDEAL 4109 CC (18 pages)
- IDEAL 4006 (12 pages)
- IDEAL 2600 (10 pages)
- IDEAL 8220 (8 pages)
- IDEAL 2501 (24 pages)
- AL1 (1 page)
- QuickJog paper jogger (1 page)
- Paper Drill 200 single spindle (14 pages)
- MBM 25 (8 pages)
- Maxxum 91 corner stapler (12 pages)
- LJ 3000 (2 pages)
- LEOWORK PAPER LIFT (12 pages)
- HIGH CAPACITY STACKER (16 pages)
- FMM3 (24 pages)
- ES 8000 (32 pages)
- ES 5500 (20 pages)
- ES 5000 (16 pages)
- IM 8100 (13 pages)
- CORNER STAPLER (20 pages)
- ES 2000 (14 pages)
- ES 3000 (20 pages)
- AJ 700 (13 pages)
- AEROCUT NANO (30 pages)
- BC 12 (38 pages)
- FC 10 TWIN TOWER SYSTEM (12 pages)
- AEROCUT (42 pages)
- AEROCUT G2 (58 pages)
- DocuVac (27 pages)
- DocuVac Installation (6 pages)
- 49 (26 pages)
- 46 (17 pages)
- 46 Installation (13 pages)
- 49 Installation (4 pages)
- OMR (5 pages)
- 45 (29 pages)
- Spine Pro Bookletmaker (16 pages)