Manuals
Directory
ManualsDir.com
- online owner manuals library
Search
Directory
Brands
Progressive Turf Equipment manuals
Gardening equipment
Pro-Max 36
Manual
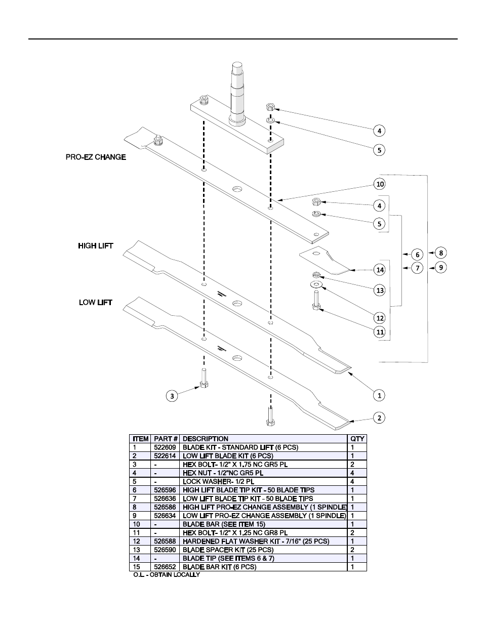
2 blade options, Lade, Ptions – Progressive Turf Equipment Pro-Max 36 User Manual
Page 45
Text mode
Original mode
Advertising
Pro-Max 36 Parts Manual
3
1.2 Blade Options
12/2014
Share
Pages:
1
…
43
44
45
46
47
…
63
Download
Complain
wrong Brand
wrong Model
non readable
Advertising
See also other documents in the category Progressive Turf Equipment Gardening equipment:
SDR-90 10365047 to 13365072
(23 pages)
TDR-12 Up to 1212029
(71 pages)
TDR-15 0915001 to 1215106
(74 pages)
Pro-Flex Roller 120
(78 pages)
SDR-65 Up to 09365046
(10 pages)
522407
(5 pages)
522427
(2 pages)
526494
(1 page)
PM36
(5 pages)
600501
(3 pages)
TDR-30
(88 pages)