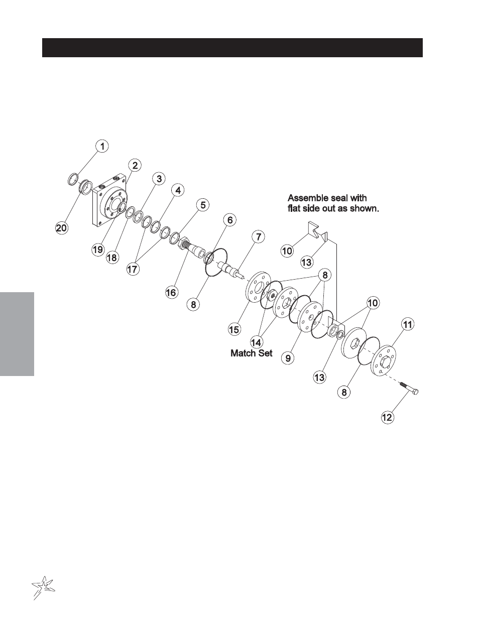
032 front wheel motor drawing – Smithco Super Star Diesel 43-500 (sn 14560 – 14579) Parts & Service Manual User Manual
Page 42
Advertising
This manual is related to the following products:
- Super Star Diesel 43-500 (sn 14528 – 14559) Parts & Service Manual Super Star Diesel 43-500 (sn 14520 – 14527) Parts & Service Manual Diesel Super Star (43-500) sn 14500 – 14519 Parts & Service Manual Super Star Diesel 43-500 (sn 14500 – 14519) Parts & Service Manual Super Star Diesel 43-500-B (sn 14580 – current) Parts & Service Manual