AEC Colortronic MS Series Screenless Granulator User Manual

Page 35

Advertising
background image

Chapter 7 Maintenance and check

- 30 -

[WO-3531;ET 30]

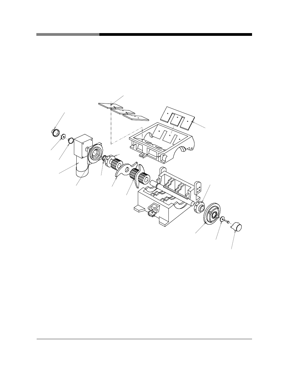
Figure 7-1

& bearing cover

End plate

Stop ring

Motor

Motor support

Bearing

Large cutters

Small cutters

Bearing

Keeper plate

Cap

Side plate

※ Insert hole of

metal rod with knob

Guide plate

Side plate

Fixed cutters

Cap

Advertising