Gullco KBM-28 User Manual

Page 50

Advertising
background image

46

KBM

®

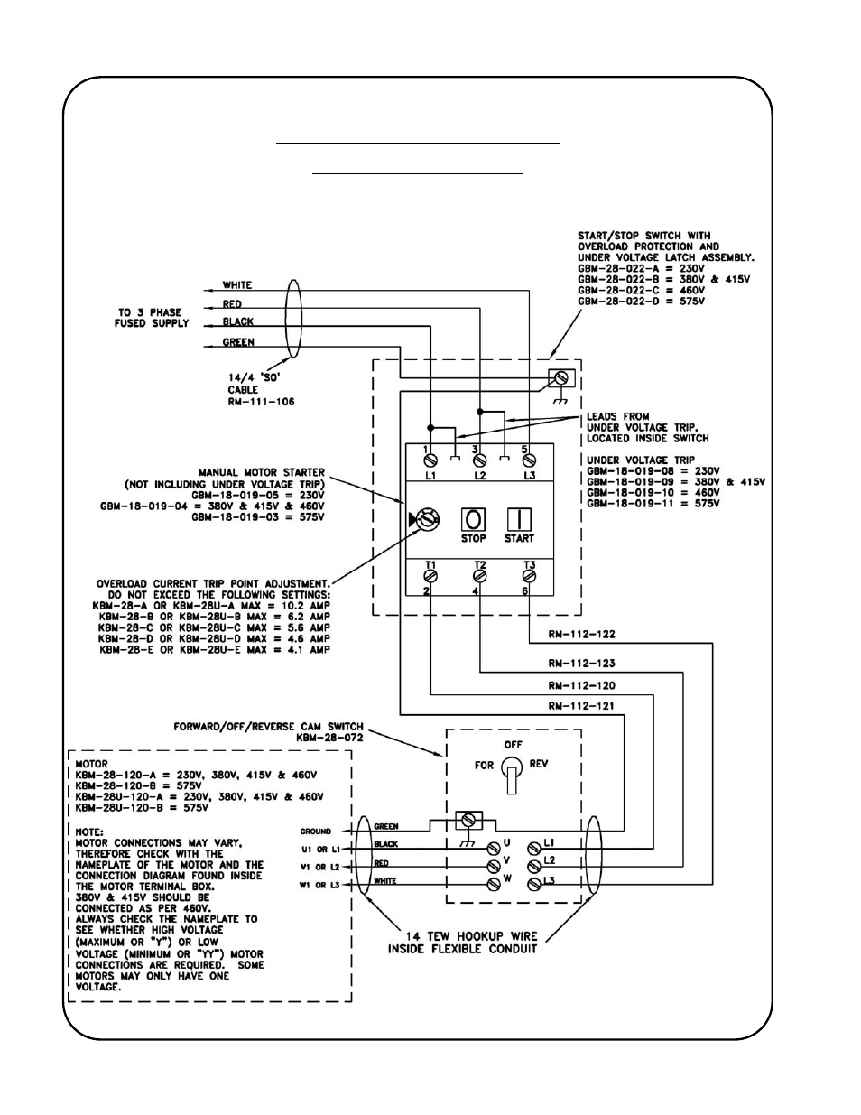
-28 WIRING SCHEMATIC

Drawing Number: KBM-28-419

Advertising
This manual is related to the following products: