Sundance SMT384 User Manual
Page 16

Version 1.4
Page 16 of 47
SMT384 User Manual
ADCs can all receive the same clock or the integer multiple of it (x2, x3, …x32), the
maximum being 125MHz for each ADC. This clock can be coming from the on-board
VCXO or from an external source.
An extra connector outputs the reference clock for multiple-module systems.
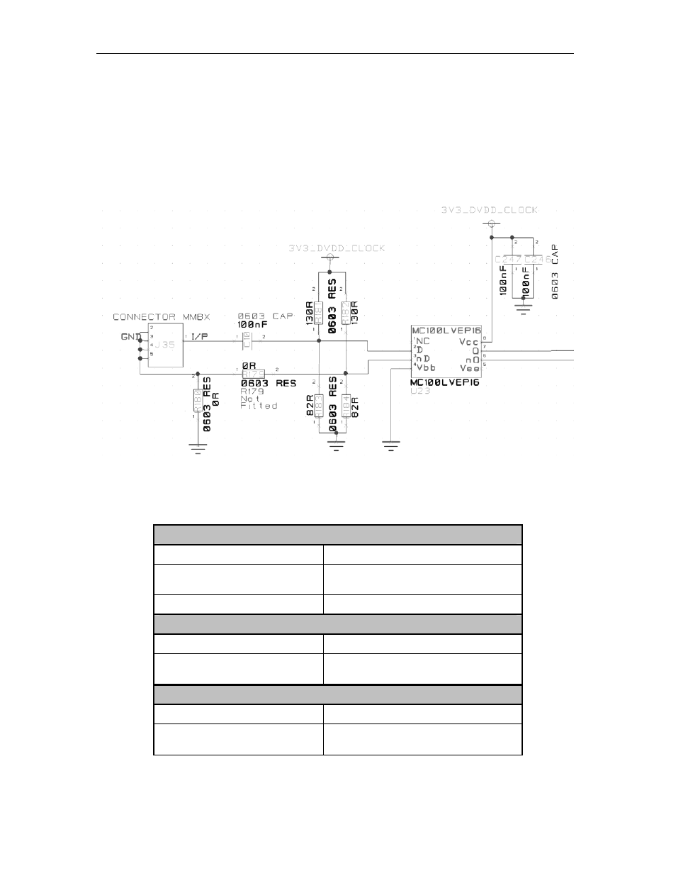
Below is shown how the external clock is fed to the system. By default it is single-
ended and AC-coupled before being converted into LVPECL format. The option of
having a differential external clock is still possible on the hardware by the way of
fitting or not some of the components.
Figure 7 - External Clock.
The main characteristics of the SMT384 Clocks are gathered into the following table.
External Reference Input
Input Voltage Level
0.5 – 3.3 Volts peak-to-peak (AC-coupled)
Input Impedance
50-Ohm (Termination implemented at the
connector)
Frequency Range
0 – 100 MHz.
External Reference Output
Output Voltage Level
1.6 Volts peak-to-peak (AC-coupled)
Output Impedance
50-Ohm (Termination implemented at the
connector)
External Sampling Clock Input
Input Voltage Level
0.5 – 3.3 Volts peak-to-peak (AC-coupled)
Format
Single-ended or differential on option (3.3V
LVPECL).