Wiring diagram – Subaru Robin RGX2900 User Manual

Page 36

Advertising
background image

ENGLISH

FRANÇAISE

ESPAÑOL

- 31 -

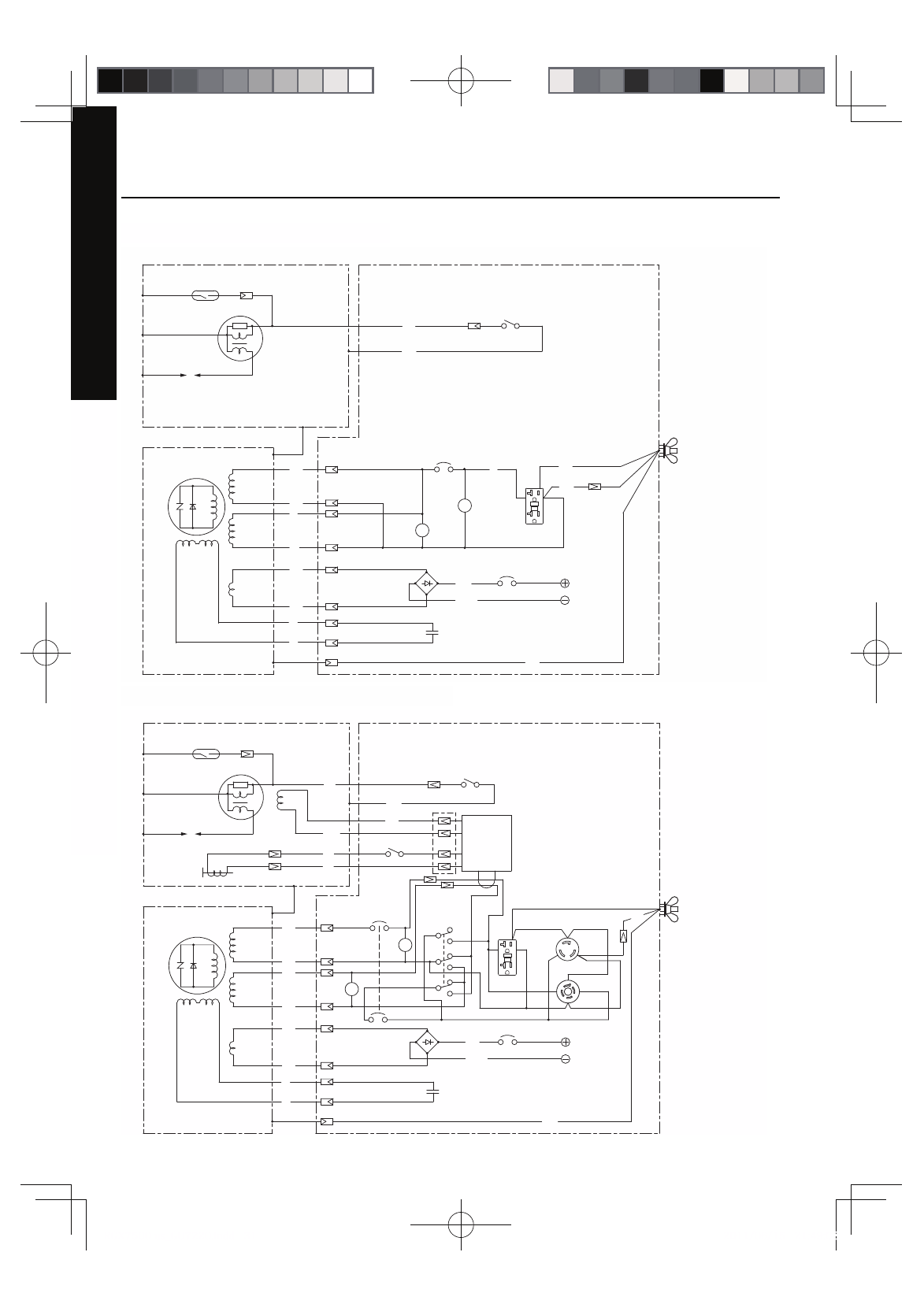
12. WIRING DIAGRAM

Oil sensor

Ignition coil

Spark plug

PL

Hr

W

H

Gry

R

Grn

Grn

ENGINE

GENERATOR

CONT.BOX

Blk

Grn

AC circuit
breaker

Circuit breaker

Pilot
lamp

Hour
meter

Diode stack
Assy

Rotor

Field

Winding

AC

Winding

2

AC

Winding

1

DC

Winding

Condenser
Winding

Engine switch

DC output
terminal

Org

Brn/W

Earth
(Ground)
terminal

Condenser

Blk

Blu

R

W

Brn

Brn

Y

Y

REC1
20A

Oil sensor

Ignition coil

Solenoid

Charge coil

Blu

LBlu

W

W

3

2

1

5

1

2

3

4

5

6

7

8

9

PL

Hr

G

W

H

G

W

X

G

X

W

Y

Blk

Gry

Spark plug

Grn

AC circuit
breaker

Pilot
lamp

Hour
meter

Circuit breaker

Full power
switch

Idle control switch

ENGINE

GENERATOR

Rotor

CONT.BOX

Field

Winding

AC

Winding

2

AC

Winding

1

DC

Winding

Condenser
Winding

Grn

Idle

control

unit

Engine switch

DC output
terminal

Org

Diode stack
Assy

Brn/W

Earth
(Ground)
terminal

Condenser

Blk

Blu

R

W

Brn

Brn

Y

Y

REC1
20A

REC3
30A

REC2
20A

RGX2900 (60Hz-120V)

RGX3600 (60Hz-120/240V)

Blk

: Black

Wiring color code

Blk/W : Black/White
Blu

: Blue

LBlu

: Light blue

Brn

: Brown

Brn/W : Brown/White
Grn

: Green

Grn/W : Green/White
Org

: Orange

Gry

: Gray

R

: Red

W

: White

Y

: Yellow

Grn/Y : Green/Yellow

W/Blk : White/Black

Pur

: Purple

Advertising
This manual is related to the following products: