Daktronics Sportsound 1500HD User Manual

Page 35

Advertising
background image

AH

SPORTSOUND SYSTEMS

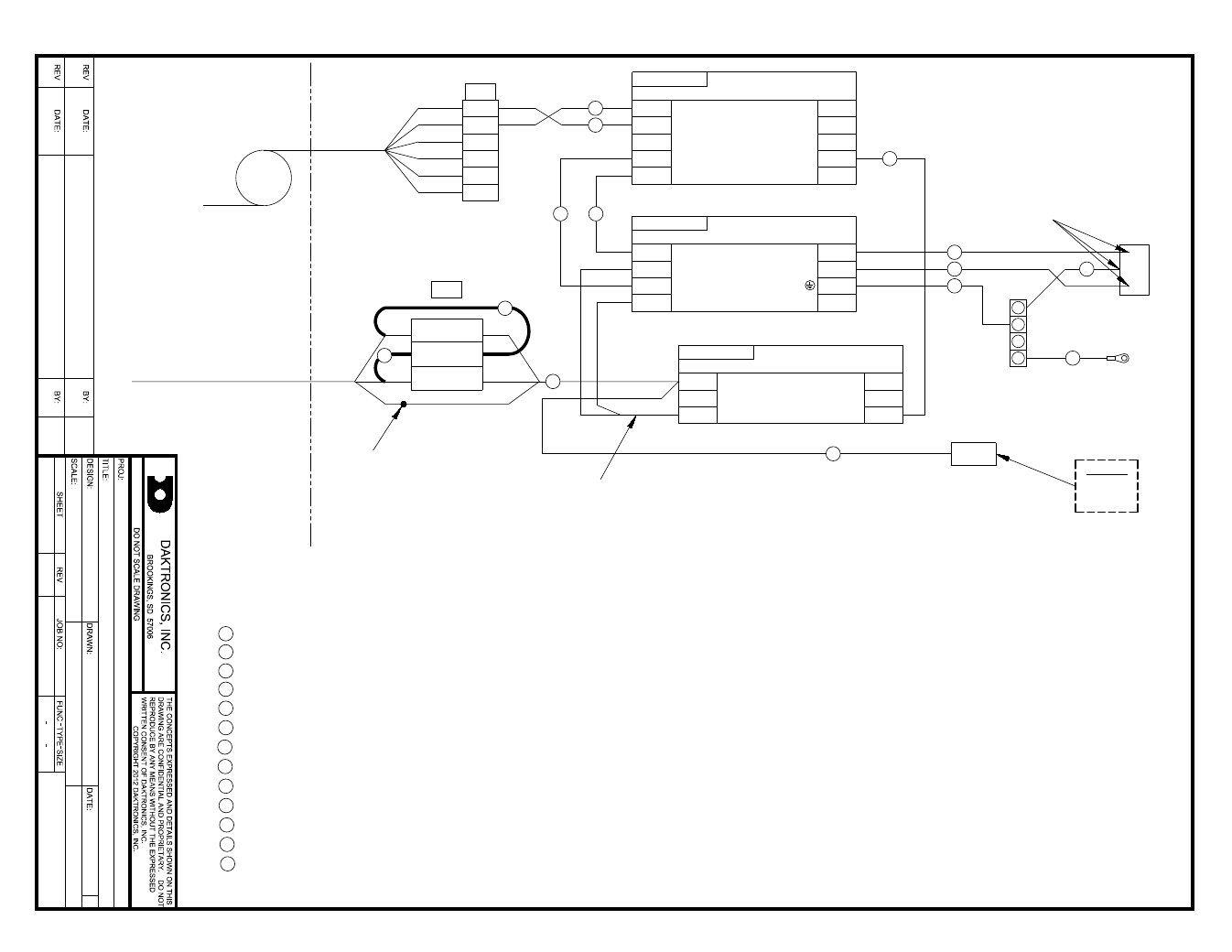
AUDIO; SPORTSOUND, FIBER BOX SCHEMATIC

CBRANDT

1 MAY 12

P

1340

R

01

A

NONE

CBRANDT

1095894

02

W-1489, 6 CORE

FIBER; TO FIBER

SPLICE

BOX/CONTROL
ENCLOSURE

4

4

BLK

RED

3

3 BLK

RED

GND

W-1615 TWISTED
AUDIO CABLE; TO

FIBER SPLICE
BOX/CONTROL
ENCLOSURE
(ANALOG BACKUP)

ATTACH WITH

SOLDER ONLY

POWER INPUT

FILTER

W-1509; 1' ST-ST 50UM FIBER PATCH

B

B

W-1542; 1' RJ45 CAT5E PATCH CABLE

A

0A-1534-0060 F ASSY; ANALOG BACKUP FIBER BOX

Z-1018

G

L

N

2

1

NO

NC

NO

W-1615; 22AWG AUDIO, 1 PAIR

C

FIELD INSTALLED

W-1079; 14AWG WHITE

G

D

W-1080; 14AWG GREEN/YELLOW

F

G

W-1094; 18AWG RED

J

M

L

FPP1

0M-788412

P-1197@6

SWT2

BACKUP_SWITCH

S-1162/1163/1220

MOXA/EDS-205A

TX

RX

V1 +
V1 -

NET2

NET3
NET4
NET5

A-2580

FCC2

L

24VDC PWR SPLY

A-2238

N

V-

V-
V+
V+

PWS1

BLK

WHT

GRN/YEL

AUDIA EXPI/O-2

IP1
IP2

OP1

OP2

E/NET

PWR

A-2898

ADC1

1

2
3
4
5
6

B

BLU

ORG
GRN

BRN

SLT

WHT

TX

RX

A

F

H

E

D

SOLDER

PIN1-GND

PIN2-RED

PIN3-BLK

W-1560 TO

ANNOUNCER

RACK

J-1502

C

E

0A-1534-0076

J

K

W-1078; 14AWG BLACK

H

GROUND BAR

TB-1097

N

GROUND STUD

ON DOOR

E-1048

FILTER OUTPUT

CONNECTION

E-1073 @3

POWER CORD; W-2524

01

2 NOV 12

CJB

ADDED TX AND RX TO FPP1

RX

TX

W-1092; 18AWG BLACK

K

W-1054; 22AWG BLACK; JUMPER WIRES

L

W-1054; 22AWG BLACK; JUMPER WIRES

M

N

W-1615; 22AWG AUDIO, 1 PAIR

W-1080; 14AWG GREEN/YELLOW

W-1080; 14AWG GREEN/YELLOW

02

24 JUN 13

CJB

UPDATED WIRING

WIRE C-N INCLUDED IN 0A-1534-0077

Advertising