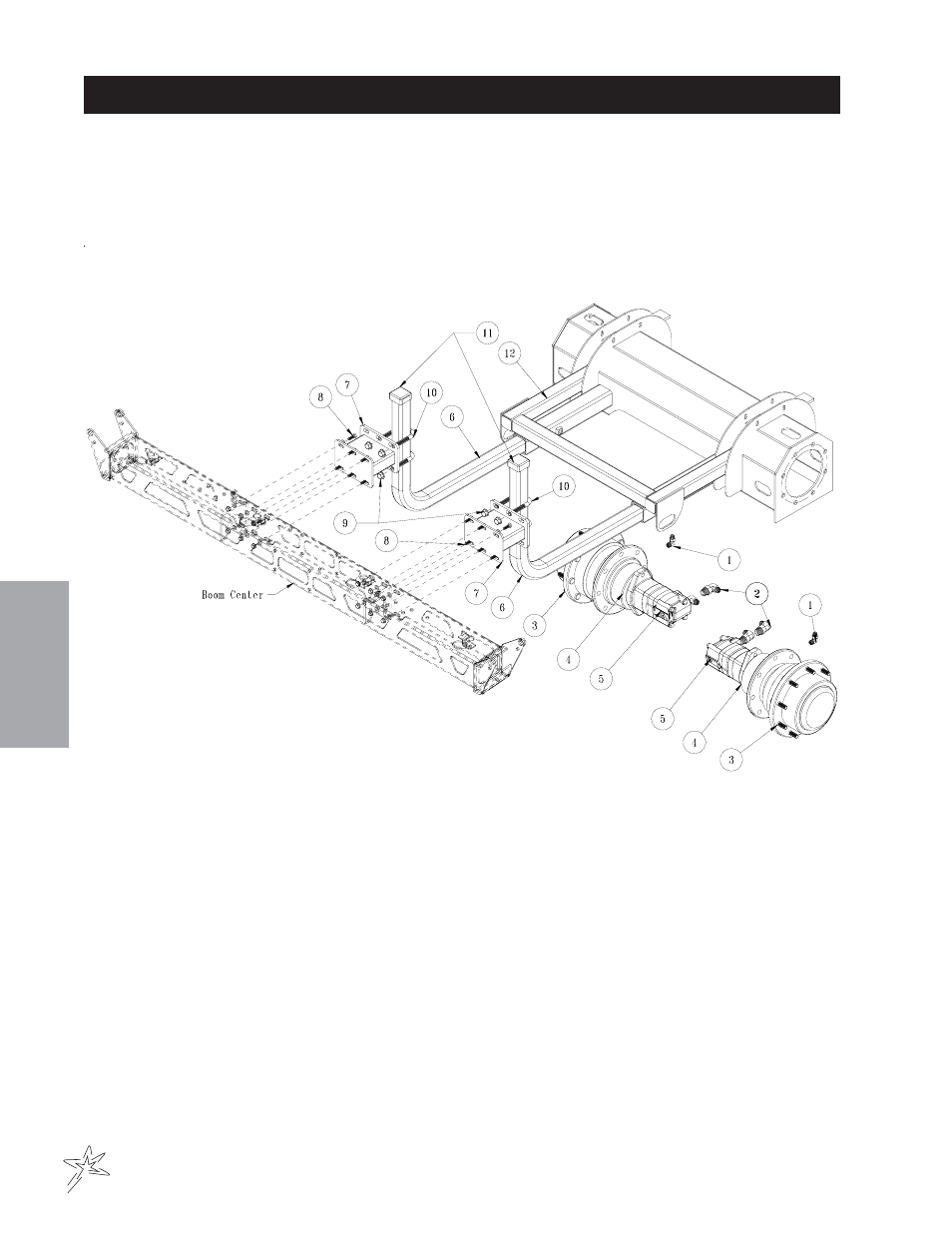
Rear wheel drive drawing – Smithco Spray Star 3180 (sn 300G159 – 300G168) Parts & Service Manual User Manual
Page 38
                                    Advertising
                    
                        
                    
                            
                            
                    This manual is related to the following products:
                    
                        
                
            
            
                            
            
        - Spray Star 3180 (sn 300G122 – 300G158) Parts & Service Manual Spray Star 3180 (sn 300G091 – 300G121) Parts & Service Manual Spray Star 3184 (sn 300G091 – Current) Operator Manual Spray Star 3180 (sn 300G001 – 300G032) Parts & Service Manual Spray Star 3180 (sn 300G056 – 300G065) Parts & Service Manual Spray Star 3180 (sn 300G066 – 300G080) Parts & Service Manual Spray Star 3180 (sn 300G033 – 300G055) Parts & Service Manual Spray Star 3180 (sn 300G081 – 300G090) Parts & Service Manual Spray Star 3180 (sn 300G169 – Current) Parts & Service Manual