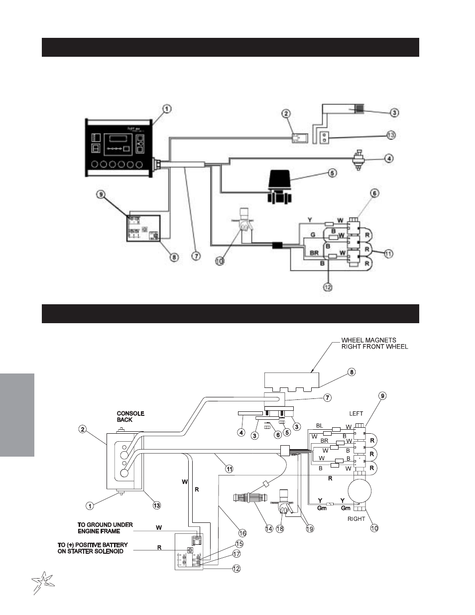
Control 1006 system drawing, Control 1008 system drawing – Smithco Spray Star 1000 (sn 100199 – 100223) Parts & Service Manual User Manual
Page 64
Advertising
This manual is related to the following products:
- Spray Star 1000 (sn 100149 – 100178) Parts & Service Manual Spray Star 1000 (sn 100100 – 100118) Parts & Service Manual Spray Star 1000 (sn 100119 – 100148) Parts & Service Manual Spray Star 1000 (sn 100179 – 100198) Parts & Service Manual Spray Star 1000 (sn 100224 – 100235) Parts & Service Manual Spray Star 1000 (sn 100236 – 100311) Parts & Service Manual Spray Star 1000 (sn 100312 – 100324) Parts & Service Manual Spray Star 1000 (sn 100325 – 100402) Parts & Service Manual