Night-lite pro v series, Electrical diagrams – Allmand Brothers NIGHT LITE PRO V User Manual

Page 49

Advertising
background image

NIGHT-LITE PRO V SERIES

WHEN ORDERING, SPECIFY COLOR WANTED

ON PART NUMBERS CONTAINING THE

LETTER P

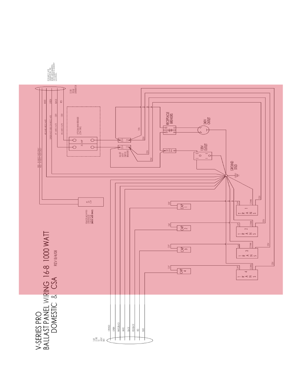
ELECTRICAL DIAGRAMS

F-8A

SHO LIGHTING SYSTEM WIRING SCHEMATIC

Advertising