Manuals
Directory
ManualsDir.com
- online owner manuals library
Search
Directory
Brands
Mathey Dearman manuals
Equipment
CGM Cold Cutting System
Manual
Mathey Dearman CGM Cold Cutting System User Manual
Page 36
Text mode
Original mode
Advertising
36
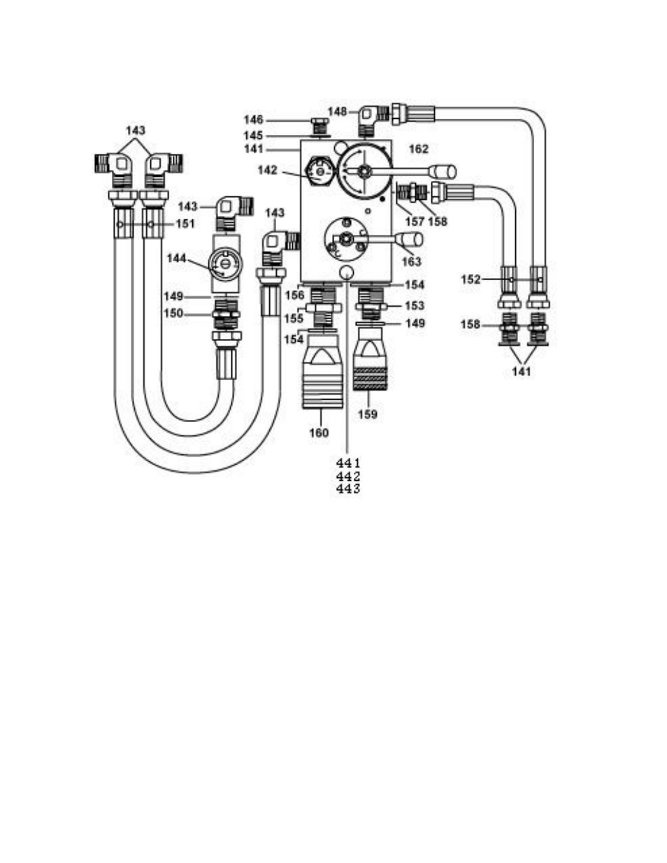
DRAWING 4 – CGM HYDRAULIC START/STOP DIRECTIONAL CONTROL
Share
Pages:
1
…
34
35
36
37
38
…
47
Download
Complain
wrong Brand
wrong Model
non readable
Advertising
See also other documents in the category Mathey Dearman Equipment:
MiniMag XM
(16 pages)
MagnaCut XM
(23 pages)
Maxi Jolli Chain Machine
(23 pages)
Mini Jolli Chain Machine
(20 pages)
Band Machine
(29 pages)
2SA Saddle Machine
(17 pages)
3SA Saddle Machine
(21 pages)
4SA Saddle Machine
(20 pages)
5SA Saddle Machine
(20 pages)
6SA Saddle Machine
(23 pages)
MSA Saddle Machine
(16 pages)
Pro Model Torch Arm
(6 pages)
8SA Saddle Machine
(24 pages)
Saddle Machine Contour Cutting Attachment
(18 pages)
CNC Saddle Machine
(124 pages)