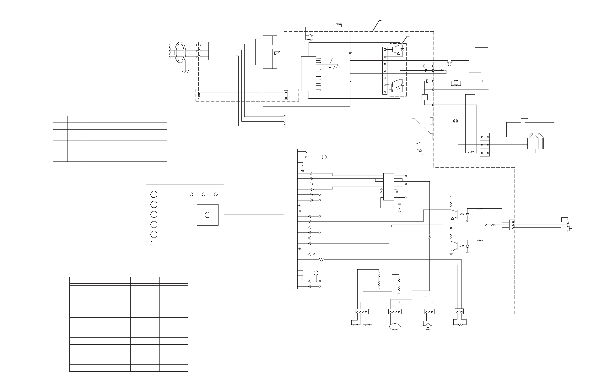
Control board pcb3, Front), Power board pcb2 – Hypertherm Powermax600 Service Manua User Manual
Page 88: 26 position ribbon cable

U3
U4
18T
RT1
RT2
RT2
COMT
COMT
+5
+5
R26
R3
RT6
15
14
13
16
/SSR
/PA
/GAS
11
10
.1UF
50V
C50
9
+24
/SPARE
009994
12
U11
1B
2B
3B
4B
2
3
4
1
5B
6B
7B
6
7
-V
8
5
1C
2C
3C
4C
5C
6C
7C
+V
042188
ULN2003A
TP1
+5
008924
1
2
3
+12
4
5
6
7
J1
108071
8
9
10
11
12
13
14
15
OUTA
OUTB
/CAPON
/START
SPAREIN
HSTEMPOK
GASOK
16
17
18
19
R54
20
21
22
23
TFRI
24
25
26
TP2
IFB
IOCA
/VOK
008924
ELEC SCHEM: PMX600 230/400V
013-3-335 REV. B
RED
BLK
R5
R41
R4
R42
(FRONT)
J17
POWER TRANSFORMER
SENSOR IN
TS2
2
1
PS1
TS1
V1
M1
+24
L2
TB1
20 OHM
20 OHM
20 OHM
4.7 NF
D2
TRANSFORMER
T2
POWER
7
6
5
4
3
2
Q2
WHT
WHT
T1
RT5
VDC
D1
EMI
PCB1
S1
GRN/YEL
ON
ON
TORCH STUCK OPEN
(VISIBLE FOR 15 SEC. AFTER EVENT)
ON
OFF
INVERTER SAFETY INTERLOCK
(VISIBLE FOR 15 SEC. AFTER EVENT)
(BLINKING @ 1 SEC. RATE)
OFF
ON
SELF DIAGNOSTICS FAILURE
OFF
OFF
SYSTEM OKAY
STATUS
LED6
LED7
FAULT CODES
CONTROL BOARD
PCB3
VDC
540
310
3 TURNS
109160
+
+
J4
1
C24
C11
BRN
BLU
BLK
CURRENT
013333
013333
TIMING DIAGRAM
109061
109079
IGBT MODULE (Q2)
109118/2
009999/2
BULK CAPS ON POWER BD
014238
014234
POWER XFR (T2)
014241
014231
POWER FACTOR CHOKE (L1)
041607
041568
POWER BOARD (PCB2)
109134
109090
INPUT BRIDGE (D1)
041587
041566
EMI FILTER BOARD (PCB1)
003195
003193
CIRCUIT BREAKER (S1)
ON TORROID
2
3
POWER CORD # TURNS
230vac, 3É”
400vac, 3É”
086007
086000
INPUT VOLTAGE
POWER SUPPLY PART #
J9
+5
POWER BOARD PCB2
VIO
ORG
BLU
J5
BREAKER
CIRCUIT
LED8
LED7
LED6
START
041593
OVER TEMP
CAP OFF
LOW PRESSURE
LOW VOLTAGE
O.K.
POWER
CAP SWITCH
START
ELECTRODE
NOZZLE
WORK LEAD
014232
OUTPUT CHOKE
109088
OUTPUT BRIDGE
~
~
-
+
129406
BRN
BRN
W18
009849/2
W19
W17
W16
5 TURNS
TRANSFER SENSOR
E
C
IGBT
ARC
PILOT
Q3
LEM
009849
MOV
RC
J8
J3
J13
P4
YEL
YEL
GND
CONTROL
PE
MODULE
IGBT
CHOKE (L1)
POWER FACTOR
SOFT START
K1
J6
J7
W14
J2
RED
BLK
RED
BLK
FAN
SOLENOID
GAS
SWITCH
THERMAL
HEATSINK
SWITCH
GAS
J16
J15
TRIP
VOLTAGE
OVER
J14
SENSE
VOLTAGE
LINE
J10
J11
J12
W15
26 POSITION RIBBON CABLE
W11
W12
W13
-
+
BRIDGE
INPUT
~
~
~
W8
W9
W10
230V UNIT ONLY
J4
J5
J6
J7
J8
J9
J1
J2
J3
BOARD
FILTER
109070
X TURNS
FILTER
CORD
POWER
W5
W6
W7
W1
W2
W3
W4
PE
VOLTAGE
INPUT
3 PHASE
1
2
3
1
3
2
1
3
4
2
1
2
3
4
18REG
COMT
18T
COMINV
18INV
COMPA
18PA
+12
+24
SUPPLY
POWER
SYSTEM
FLYBACK