Mpsl-30d enclosure – Magnum Energy Magnum Panel (MP Series) User Manual

Page 81

Advertising
background image

Page 74

© 2011 Magnum Energy, Inc.

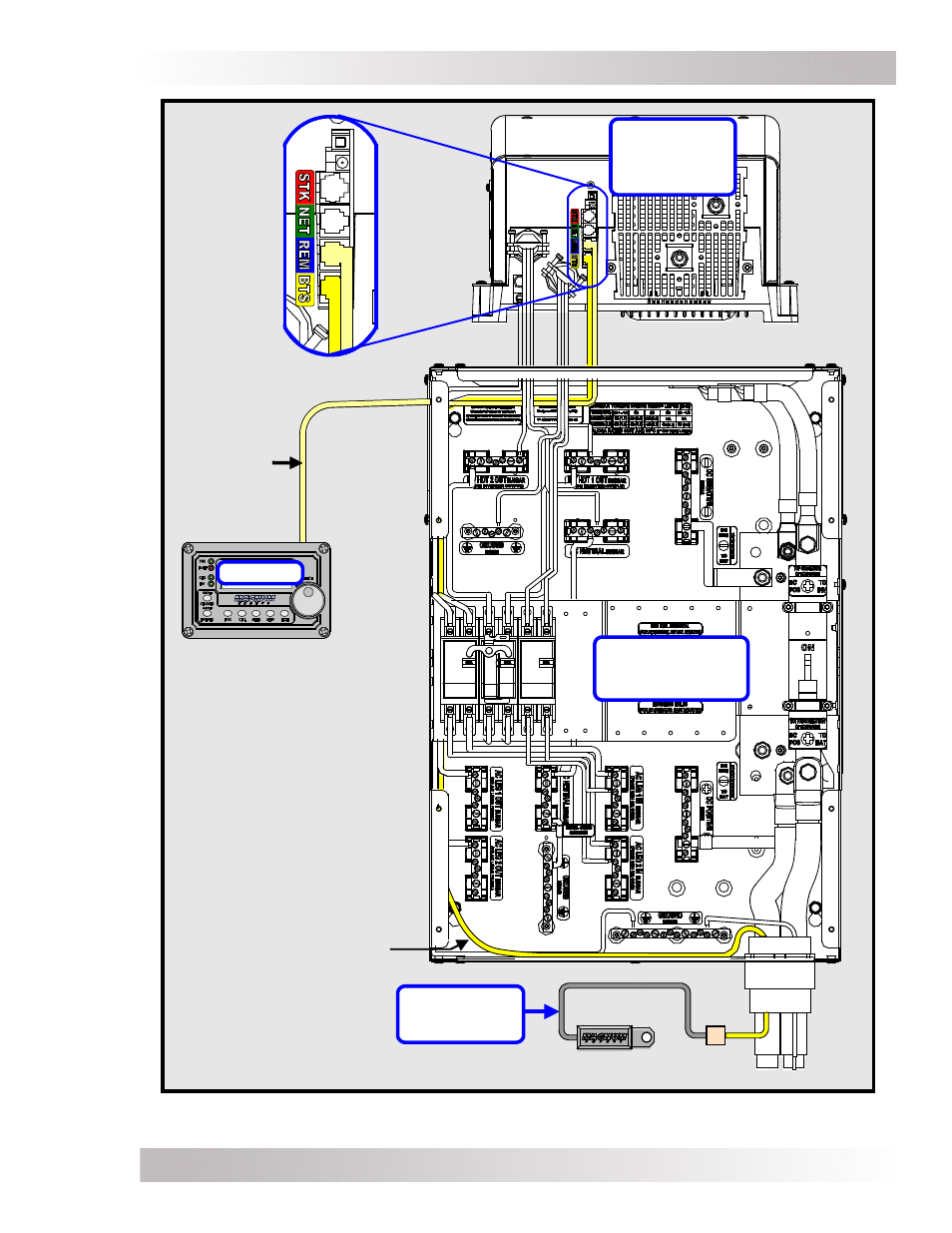
4.0 Wiring Diagrams

Figure 4-3d, MPSL-30D Communications Wiring

Rem

o

te

to

BT
S

MPSL-30D

Enclosure

MS-PAE

Series

inverter

Remote

Cable

(300V)

Remote

Extension

Cable (300V)

to BTS

Battery

Temperature

Sensor

Advertising