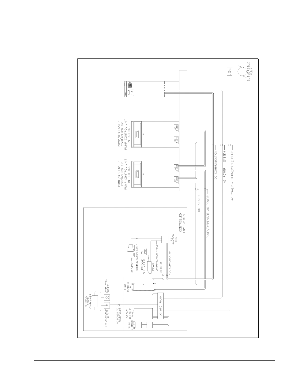
Figure 8-4 – Gasboy TopKAT Fuel Management System Installation User Manual
Page 85
Advertising

MDE-4319E TopKAT™ Fuel Management System Installation Manual · August 2008
Page 79
PCU Dimensions and Layouts
Mechanical PCU Option
Figure 8-4: Conduit Layout - Wall-mounted PCU
Note: Refer to
for conduit, power requirements, and wire
size considerations.
Advertising
This manual is related to the following products: