Terminal connections, Electrical installation 2 - 18 – Yaskawa E7 Drive User Manual User Manual

Page 46

Advertising
background image

Electrical Installation 2 - 18

Terminal Connections

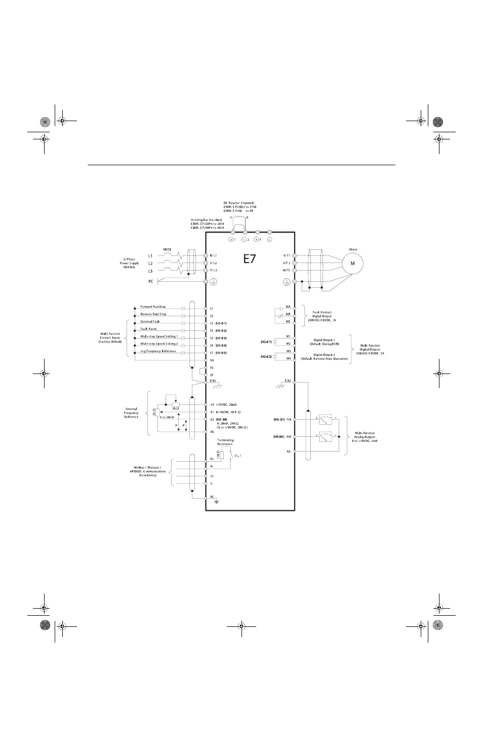
Connections to Drive terminals are shown in Fig 2.6.

Fig 2.6 Terminal Connections


P4

18

TM_E7_01_07182008.book Page 18 Wednesday, July 23, 2008 2:35 PM

Advertising
This manual is related to the following products: