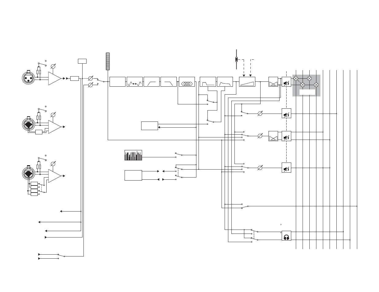
Touchmix block diagram, Mic/line input channels – QSC Audio TouchMix-30 Pro 32-Channel Compact Digital Mixer with Touchscreen User Manual

Page 135

Advertising
background image

126

1001108-01-F

TouchMix

Block Diagram

Mic/Line Input Channels

Mic/Line Input Channels

M

ain

O

utputs

L

R

Cue

L

R

Aux (Odd)

To Multi-Track

FX

Sub-Groups (odd) *

Sub-Groups (even) *

Aux (Even)

Meter

1 per Mixer

Assignable

Pitch

Corrector

Ch Fader

Pre

Post

Digital

Gain

Trim

From DCA

Masters

Digital

Gain

Pre

Post

Detector In

Post Fdr

Pre Fdr

Pre Dyn

Pre all

RTA

Side

Chain

Pre

Post

Input

Digital

Patch Matrix*

Mute

Logic

A/D

Mic

Pre

Over

Side Chain

Matrix

TouchMix-30: Ch 1 - 20

TouchMix-16: Ch 1 - 12

TouchMix-8: Ch 5 - 8

FX Send

Pre

Post

Record Pick-Off

(Global)

TouchMix-30: Ch 21 - 24

TouchMix-16: Ch 13 - 16

TouchMix-8: Ch 2 & 3

TouchMix-8: Ch 1 & 2

* TouchMix-30 only

Aux Send

(to stereo)

Aux Send

(to mono)

Post Fdr

Pre Fdr

Pre Dyn

Pre all

Assign

DAW*

USB Drive

Recording Mode*

USB Drive

DAW*

TouchMix-16: In 16

TouchMix-8: In 8

To Room Tuning Wizard

Pan

Polarity

Φ

Delay

Low Cut High Cut

PEQ

Comp

Gain

Gain

Gate

Mute

Pan

Mute

Mute

+48 V

Trim

Mic

Pre

+48 V

Pad

Trim

Mic

Pre

+48 V

Pad

Hi-Z

Pad

Hi-Z

Cue

Mute

To DAW*

Advertising