Track playback – QSC Audio TouchMix-30 Pro 32-Channel Compact Digital Mixer with Touchscreen User Manual

Page 144

Advertising
background image

135

1001108-01-F

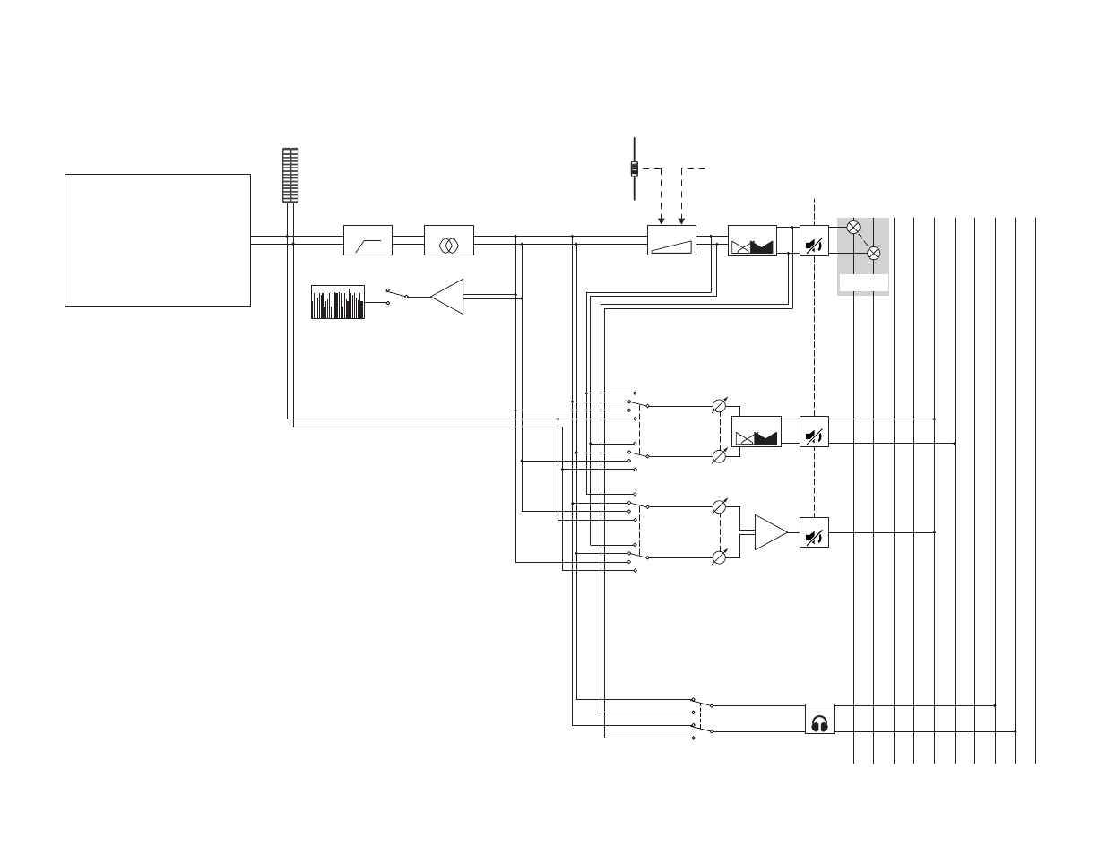
2-Track Playback

* TouchMix-30 only

Multi-Track Mode

TouchMix-30: Tracks 31/32

TouchMix-16: Tracks 21/22

TouchMix-8: Tracks 13/14

Stereo MP3 Mode

All models: From USB drive

DAW Mode*

TouchMix-30: DAW channels 31/32

Source

M

ain

O

utputs

L

R

Cue

L

R

Aux (Odd)

To Multi-Track

FX

Sub-Groups (odd) *

Sub-Groups (even) *

Aux (Even)

Meter

Ch Fader

Pre

Post

From DCA Masters

Post Fdr

Pre Fdr

Pre Dyn

Pre all

Mute

Logic

Aux Send (Stereo)

RTA

Assign

Post Fdr

Pre Fdr

Pre Dyn

Pre all

SUM

SUM

Aux Send (Mono)

Mute

Mute

Mute

Cue

Balance

Balance

Gain

Gain

PEQ

Low Cut

Advertising