Stereo sub group (touchmix-30 only) – QSC Audio TouchMix-30 Pro 32-Channel Compact Digital Mixer with Touchscreen User Manual

Page 140

Advertising
background image

131

1001108-01-F

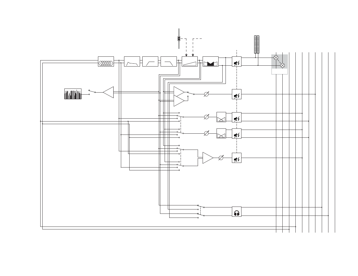
M

ain

O

utputs

L

R

Cue

L

R

Aux (Odd)

To Multi-Track

FX

Sub-Groups (odd) *

Sub-Groups (even) *

Aux (Even)

Meter

Ch Fader

Pre

Post

From DCA Masters

Post Fdr

Pre Fdr

Pre Dyn

Pre all

Pre

Post

Mute

Logic

FX Send

Aux Send (Stereo)

RTA

Assign

SUM

SUM

Post Fdr

Pre Fdr

Pre Dyn

Pre all

SUM

SUM

Aux Send (Mono)

* TouchMix-30 only

Gain

Gain

Mute

Width

Low Cut

High Cut

Cue

Pan

PEQ

Comp

Pan

Mute

Mute

Mute

Mute

Stereo Sub Group (TouchMix-30 only)

Advertising