Mono sub group (touchmix-30 only) – QSC Audio TouchMix-30 Pro 32-Channel Compact Digital Mixer with Touchscreen User Manual

Page 141

Advertising
background image

132

1001108-01-F

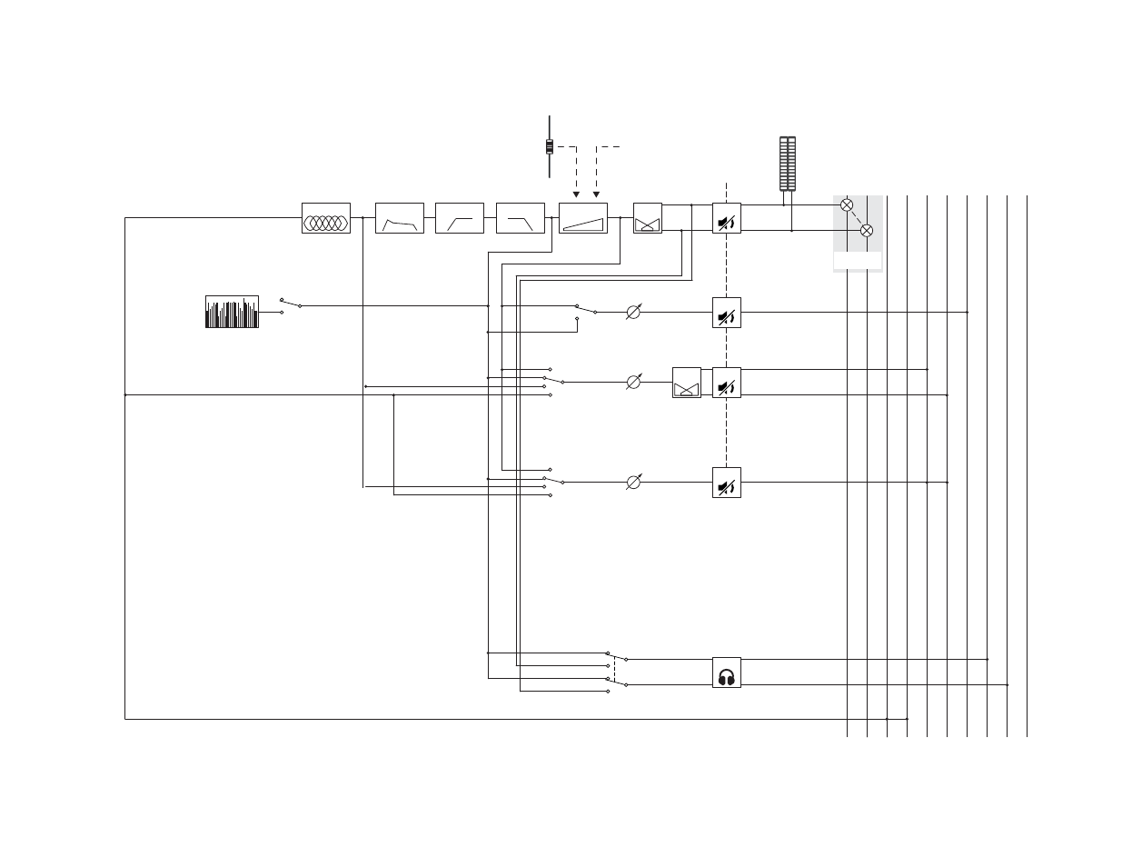
M

ain

O

utputs

L

R

Cue

L

R

Aux (Odd)

To Multi-Track

FX

Sub-Groups (odd) *

Sub-Groups (even) *

Aux (Even)

Meter

Ch Fader

Pre

Post

From DCA Masters

Post Fdr

Pre Fdr

Pre Dyn

Pre all

Pre

Post

Mute

Logic

FX Send

Aux Send (Stereo)

RTA

Assign

Post Fdr

Pre Fdr

Pre Dyn

Pre all

Aux Send (Mono)

* TouchMix-30 only

PEQ

Limiter

Low Cut

High Cut

Gain

Gain

Mute

Pan

Mute

Mute

Mute

Pan

Cue

Mono Sub Group (TouchMix-30 only)

Advertising