4function description, 6 implementation of stop categories – Pilz PMCprotego D.72/000/0/0/2/208-480VAC User Manual
Page 98
Advertising

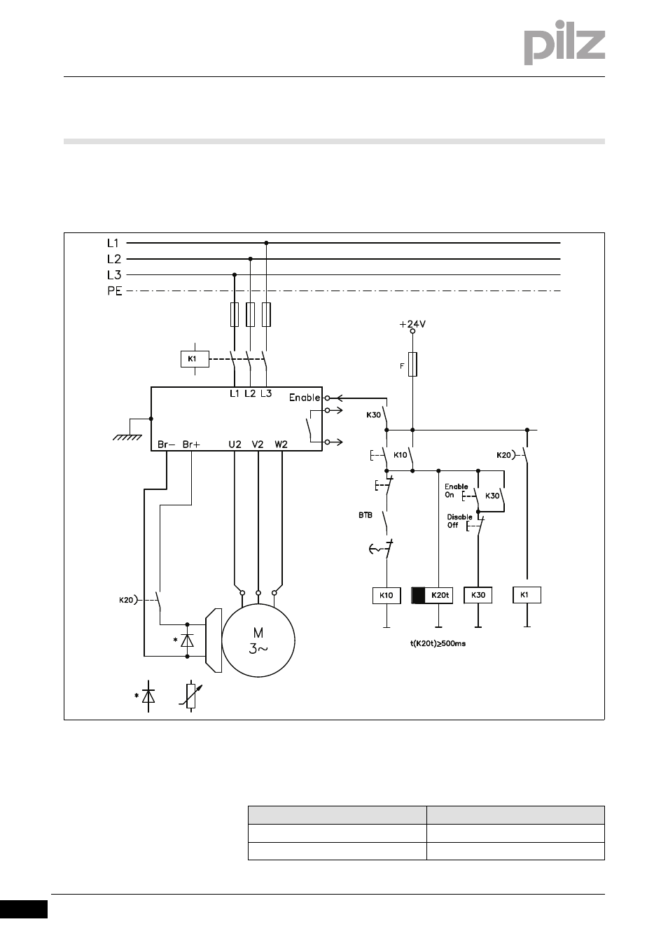
4.6
Implementation of stop categories
4
Function Description
Pilz GmbH & Co. KG, Felix-Wankel-Straße 2, 73760 Ostfildern, Germany
Telephone: +49 711 3409-0, Telefax: +49 711 3409-133, E-Mail: [email protected]
4-64
Wiring suggestion
Implementation of Category 2 E-STOP, control function with auxiliary
contactors
Fig. 4-21:
Stop Category 2
][Funktion_Stopp_Motorleistung
S1: On
S2: Off
S3: E-STOP
Motor output P
M
Motor circuit brake resistor R
M
Up to 2.5 kW
27
Ω
(20 W) 1000 V
2.5 kW - 5 kW
8.2
Ω
(50 W) 1000 V
or
S1
S2
S3
BTB
Advertising
This manual is related to the following products: