3 separate external mii management interfaces, 4 mii management timing specifications, Separate external mii management interfaces – BECKHOFF EtherCAT IP Core for Altera FPGAs v3.0.10 User Manual

Page 87: Mii management timing specifications, Table 36: mii management timing characteristics

Advertising
background image

Ethernet Interface

Slave Controller

– IP Core for Altera FPGAs

III-75

9.1.3

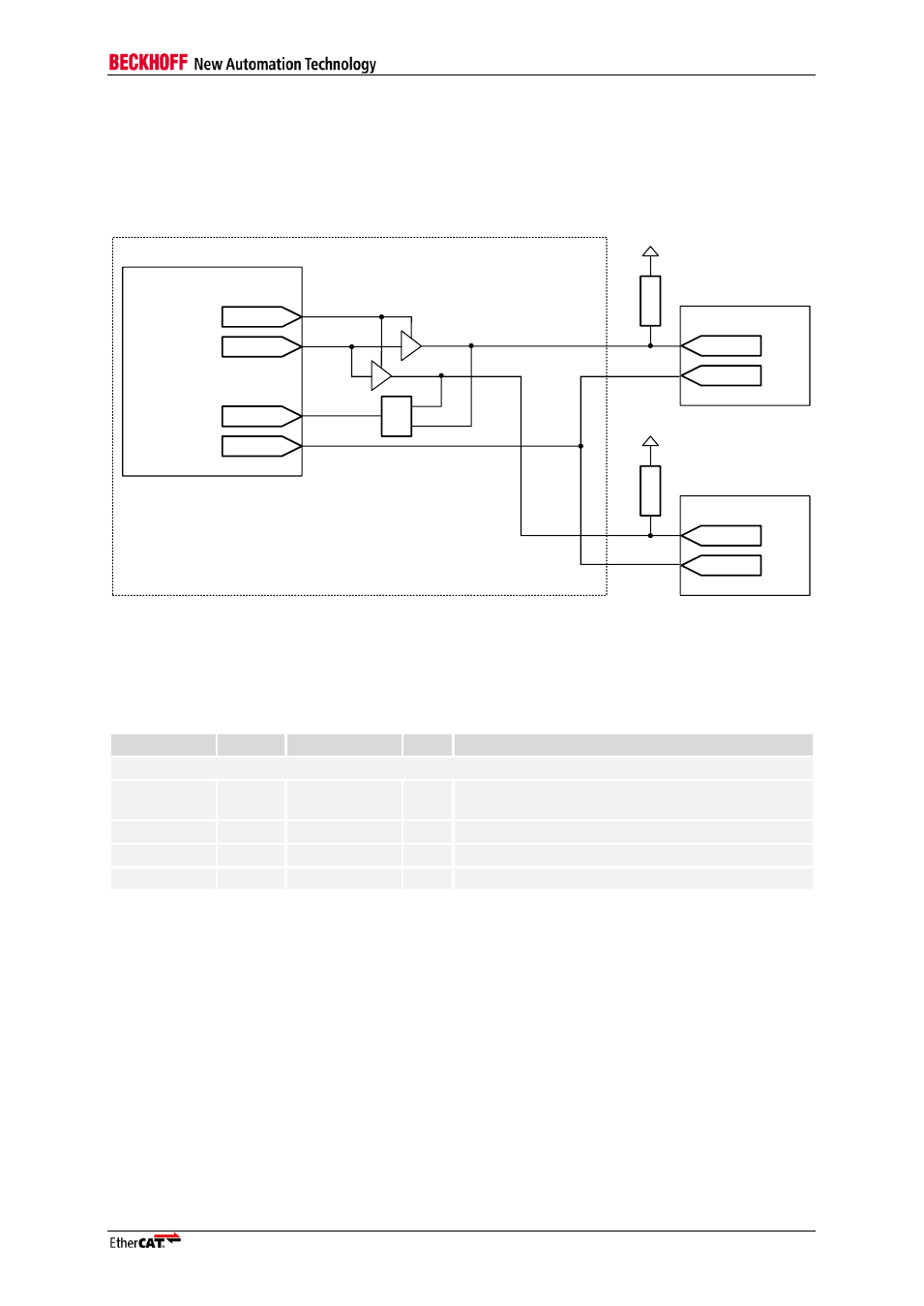
Separate external MII management interfaces

If two separate external MII management interfaces are to be connected to the single MII
management interface of the EtherCAT IP Core, some glue logic has to be added. Disable internal Tri-
State drivers for the MII management bus and combine the signals according to the following figure.
Take care of proper PHY address configuration: the PHYs need different PHY addresses.

EtherCAT IP Core

Ethernet PHY

MDIO_IN

MCLK

MDIO

MDC

4

K

7

V

CC I/O

Ethernet PHY

MDIO

MDC

4

K

7

V

CC I/O

MDIO_OUT

MDIO_ENA

&

FPGA

Figure 24: Example schematic with two individual MII management interfaces

9.1.4

MII management timing specifications

For MII Management Interface timing diagrams refer to Section I.

Table 36: MII management timing characteristics

Parameter

Min

Typ

Max

Comment

PRELIMINARY TIMING

t

MI_startup

1.34 ms

Time between nPHY_RESET_OUT reset end and
the first access via management interface

t

Clk

400 ns

MI_CLK period

t

Write

~ 25.6 µs

MI Write access time

t

Read

~ 25.4 µs

MI Read access time

Advertising