Hypertherm HPR260 Manual Gas Preventive Maintenance Program Rev.5 User Manual
Page 222

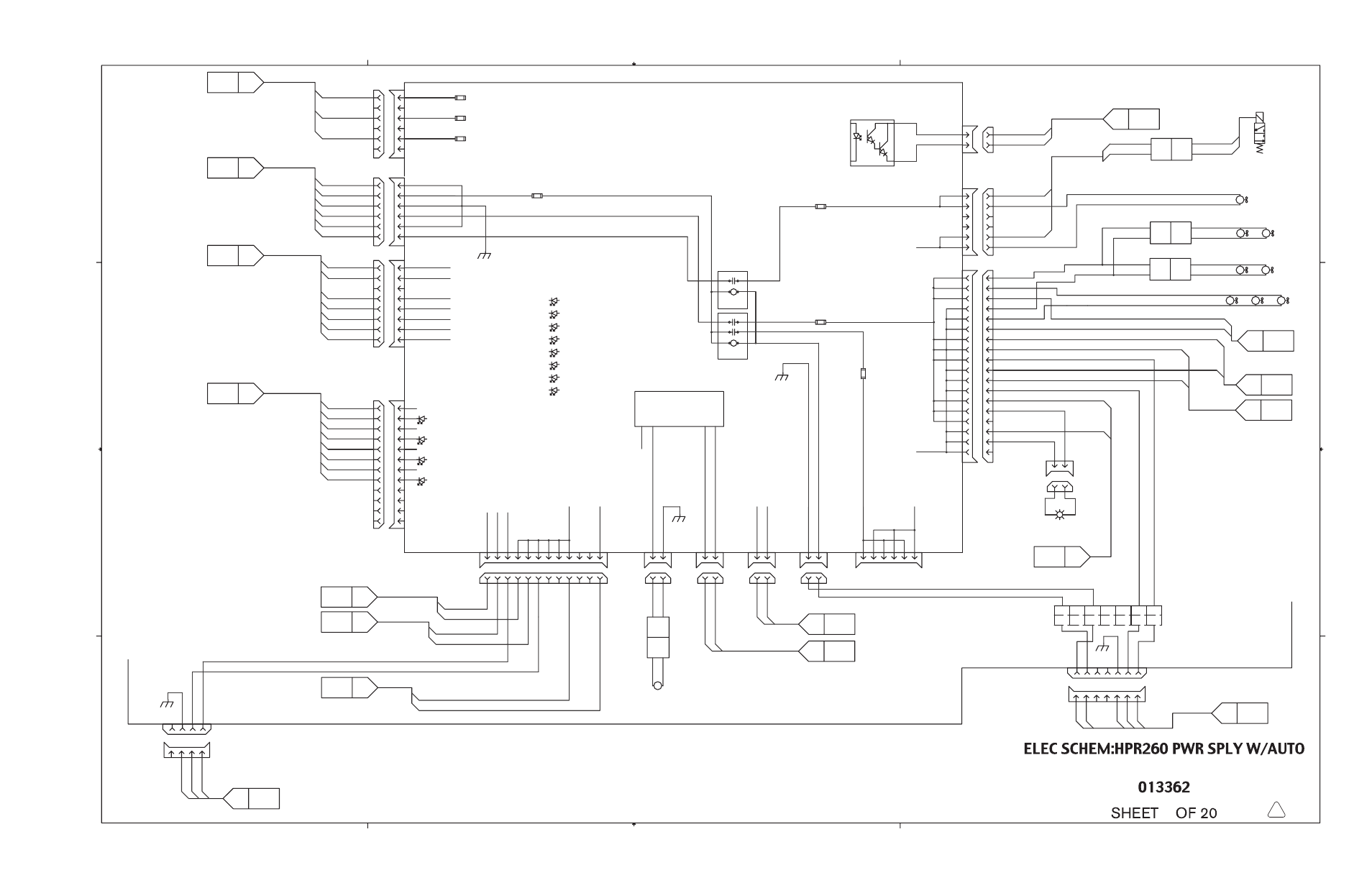
7-9
1
J2.1
J1
2-D1
AA
WHT
BLU
BLU
WHT
BLU
WHT
BLU
WHT
2-D1
U
2-D4
T
RED
/BL
K
RED
4-B4
L
HF
PA
R
CON
RED/BLK
RED
RED/BLK
RED
RED/BLK
RED
12
11
5
4
3
1 2
RED
RED/BLK
J2.3
J3
1 2
J2.12
J12
12
7 8 9 10 11
6
J2.13
WHT
J8 1
BL
K
2
1 2
WHT
BL
U
2
1
24
0V
A
C
COM
J13
+
–
DC POWER
SURGE SELECT
HV XFMR
PILOT ARC RELAY
CONTACTOR
D7 SURGE SELECT
D5 HV XFMR
D2 PILOT ARC RELAY
D1 CONTACTOR
10
9
8
6
7
5
+
+
J5
4
3
2
1
J2.5
+
+
BLK
YEL
8
7
RED
WHT
5
6
4
BLU
WHT
3
2
+/–15V COM
–15V
+24V COM
+15V
+5V COM
+5V
+24V
OUTPUTS
K3
120V
A
C RTN
SS
D33 +15V
P
U
M
P M
O
T
O
R C
NTR
L
P
UMP
M
O
T
O
R
24
0V
A
C H
O
T
AC
2
AC
1
–
+
D26 Pump motor signal
D25 +24V
D31 +5V
D23 240VAC
D32 –15V
D12 24VAC
D3 120VAC
4-C1
Q
4-C4
P
WHT
BL
U
J2.2
1 2
J2.7
1 2
SIG
N
A
L
COM
J2
24V
A
C
J7
COM
1 2
4 5 6
3
J9
REMOTE ON/OFF
6
7
5
4
RED
WHT
RED
WHT
4-D2
Y
FLS POWER
TB2
AC PWR LT
R
E
MO
T
E
ON
/OFF
LI
N
E V
O
LT
A
G
E O
UTP
UT
24V
A
C H
O
T
24V
A
C RTN
120VAC RTN
F3
K1
K2
F1
120VAC HOT
RED
RED/BLK
RED/BLK
18
16
17
15
RED
RED
13
14
12
1
J13
2
RED/BLK
RED/BLK
RED/BLK
RED/BLK
RED/BLK
RED/BLK
RED
10
11
9
RED
RED
7
8
6
5
3
4
RED
RED
2
1
CABLE: 123674
3
2
1
1X1
RED
/BL
K
RED
9-A4
AH
CONSOLE POWER
MANUAL GAS
7
RED
/BL
K
6
RED
2-D2
E
2-A1
I
POWER
START CIRCUIT
CHOPPER
POWER CH A
YEL 24VAC
RED 120VAC
ORN 240VAC
5-D4
M
2-A4
F
2-D3
B
BLK
BLK
BLK
PHASE LOSS INPUT
F2
3
J14
6
BLU
J2.14
5
4
240VAC
120VAC
2
1
J2.4
6
24VAC
J4
J2.15 J15
5
4
3
2
1
1B
1C
1A
F7
F6
F5
POWER DISTRIBUTION
041802
PCB2
4-B4
O
F4
240VAC RTN
240VAC HOT
PHASE LOSS OUTPUT
U5
2
2
5
6
4
3
WHT
J11 J2.11
1
BLK
J8
+
–
J2.8
1
BLU
WHT
WHT
2
BLK
1
2
J5
1
CLT SOL
1X3
CABLE: 123670
12-D3
A1
BL
K
GRN
WHT
4
3
2
HF
1
RED/BLK
RED
2
RED
1
RED
2
RED/BLK
RED/BLK 1
?
1
2
J15
2
FAN 1
FAN 1
CH B
1
FAN 1
FAN 2 FAN 3
?
FAN 2
CH B
FAN 2
?
J14
CH A CH A
1-B2
AM
POWER CH B
CHOPPER
RED/BLK
RED
RED/BLK
RED
CLT FAN
BLK
WHT
BLK
WHT
BL
K
WHT
RED
SH
D
BL
K
4
4
1
1
3
3
2
2
7
7
6
6
5
5
SHEET
SHEET
SHEET
SHEET
SHEET
SHEET
SHEET
SHEET
SHEET
SHEET
SHEET
SHEET
SHEET
SHEET
SHEET
SHEET
A
B
C
4
3
2
D
4
3
2
1
A
B
C
1
D
3
5