Connection example 1: line-driver output, Connection example 2: open-collector output – Yaskawa Large Capacity Sigma II Series User Manual

Page 93

Advertising
background image

4.2 Settings According to Host Controller

4-17

4

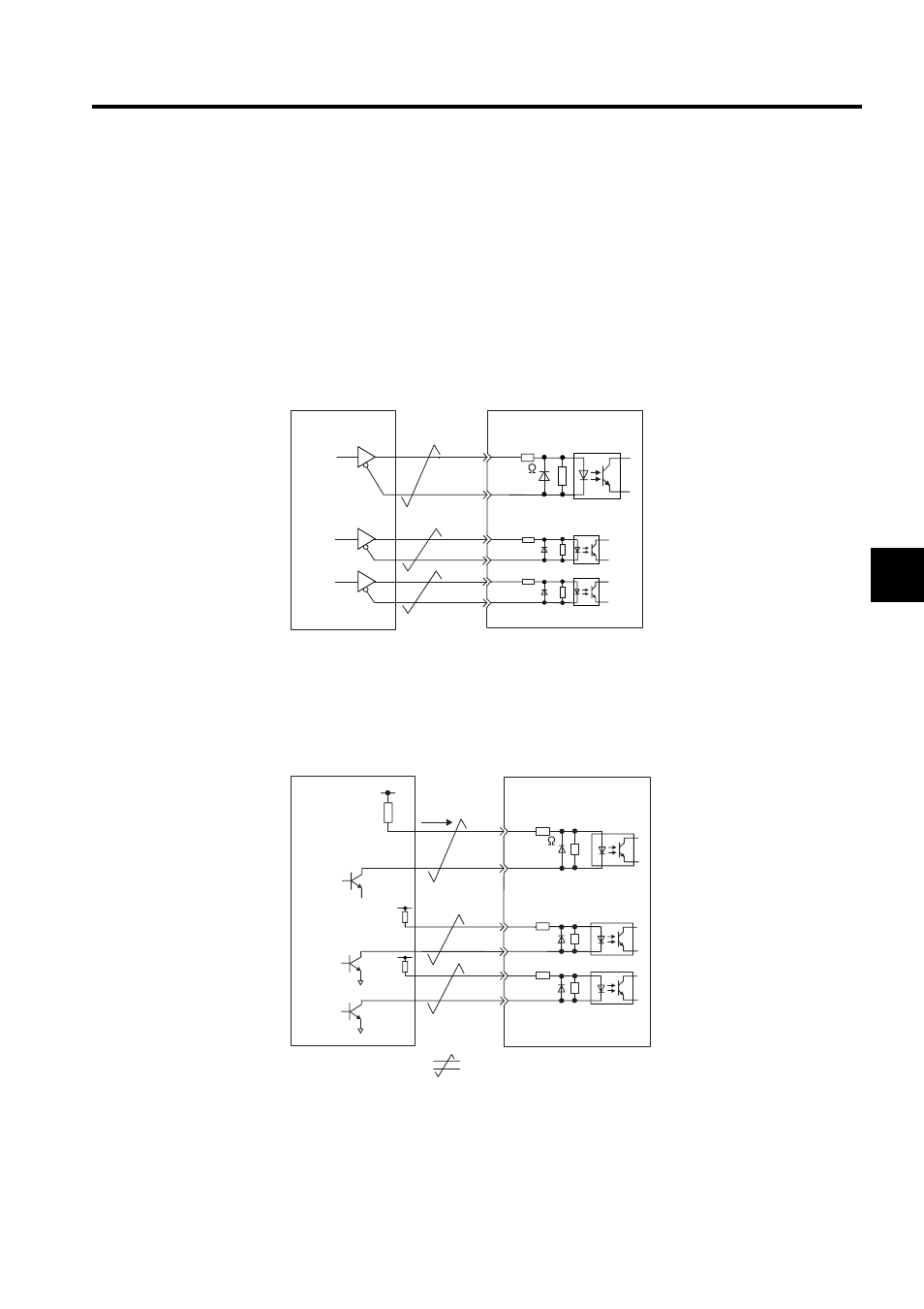
Any of the following forms can be used for the position reference:

• Line-driver output
• +12-V open-collector output
• +5-V open-collector output

Connection Example 1: Line-driver Output

Applicable line driver: SN75174 manufactured by Texas Instruments Inc., MC3487 or

equivalent

Connection Example 2: Open-collector Output

Set limiting resistor R1 so that input current, i, falls within the following range:
Input current i: 7 to 15 mA

Photocoupler

SERVOPACK

Line-driver

Host controller

CN1-11

PULS

/PULS

CN1-7

CN1-8

CN1-15

CN1-14

150

CLR

/CLR

SIGN

/SIGN CN1-12

: represents twisted-pair wires.

Photocoupler

SERVOPACK

Host controller

CN1-15

CLR

Vcc

PULS

/PULS

CN1-7

CN1-8

CN1-14

150

/CLR

SIGN

/SIGN

CN1-11

CN1-12

R1

i

Tr1

R1

R1

Advertising