16 (3) wiring examples with dc power supply input, Servopack sgdv-†††a with 200-v power supply input, Servopack sgdv-†††d with 400-v power supply input – Yaskawa Sigma-5 User Manual: Design and Maintenance - Linear Motors User Manual

Page 62

Advertising
background image

3 Wiring and Connection

3.1.5 Using the SERVOPACK with a DC Power Input

3-16

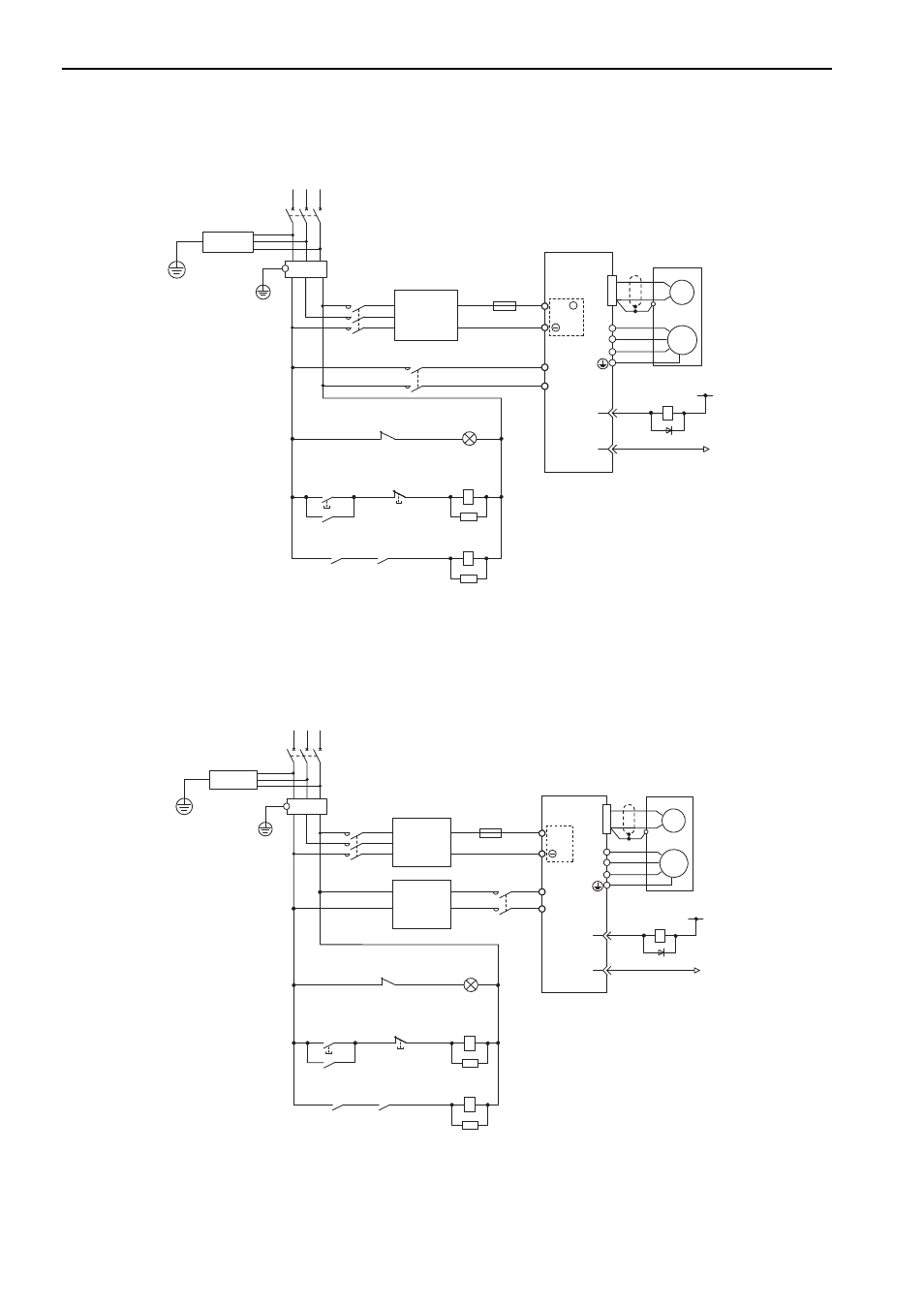
(3) Wiring Examples with DC Power Supply Input

„

SERVOPACK SGDV-†††A with 200-V Power Supply Input

∗ Terminal names differ depending on the model of SERVOPACK. Refer to (2) DC Power Supply Input Terminals for

the Main and Control Circuits.

„

SERVOPACK SGDV-†††D with 400-V Power Supply Input

∗ Terminal names differ depending on the model of SERVOPACK. Refer to (2) DC Power Supply Input Terminals for

the Main and Control Circuits.

1KM

1Ry

1PL

1KM

2KM

1SA

1Ry

1KM

2SA

L1C

L2C

B1/

2

+

*

1FU

2KM

ENC

U

V

W

M

0 V

1Ry

ALM+

ALM

3

4

1D

CN1

+24 V

1KM

AC/DC

1QF

R S T

1FLT

3SA

1QF: Molded-case circuit breaker
1FLT: Noise filter
1KM: Magnetic contactor (for control power supply)
2KM: Magnetic contactor (for main power supply)
1Ry: Relay

1FU: Fuse
1PL: Indicator lamp
1SA: Surge absorber
2SA: Surge absorber
3SA: Surge absorber
1D: Flywheel diode

SERVOPACK

SGDV-

A

(For servo

alarm display)

supply ON

Servo power

supply OFF

Servo power

24 V

0 V

B1

2

1FU

2KM

ENC

U

V

W

M

0 V

1Ry

ALM+

ALM

3

4

1D

CN1

+24 V

AC/DC

1QF

R S T

1FLT

*

3SA

AC/DC

1KM

1Ry

1PL

1KM

2KM

1SA

1Ry

1KM

2SA

1KM

1QF: Molded-case circuit breaker
1FLT: Noise filter
1KM: Magnetic contactor (for control power supply)
2KM: Magnetic contactor (for main power supply)
1Ry: Relay

1FU: Fuse
1PL: Indicator lamp
1SA: Surge absorber
2SA: Surge absorber
3SA: Surge absorber
1D: Flywheel diode

SERVOPACK

SGDV-

D

(For servo

alarm display)

supply ON

Servo power

supply OFF

Servo power

Advertising