12 (3) main circuit wire for servopacks, Mecha, Servopack with single-phase, 200-v power supply – Yaskawa Sigma-5 User Manual: Design and Maintenance - Rotary Motors - MECHATROLINK-II Communications Reference User Manual

Page 61

Advertising
background image

3 Wiring and Connection

3.1.3 Using the SERVOPACK with Single-phase, 200 V Power Input

3-12

(3) Main Circuit Wire for SERVOPACKs

∗ The official model number is SGDV-120A11A008000.

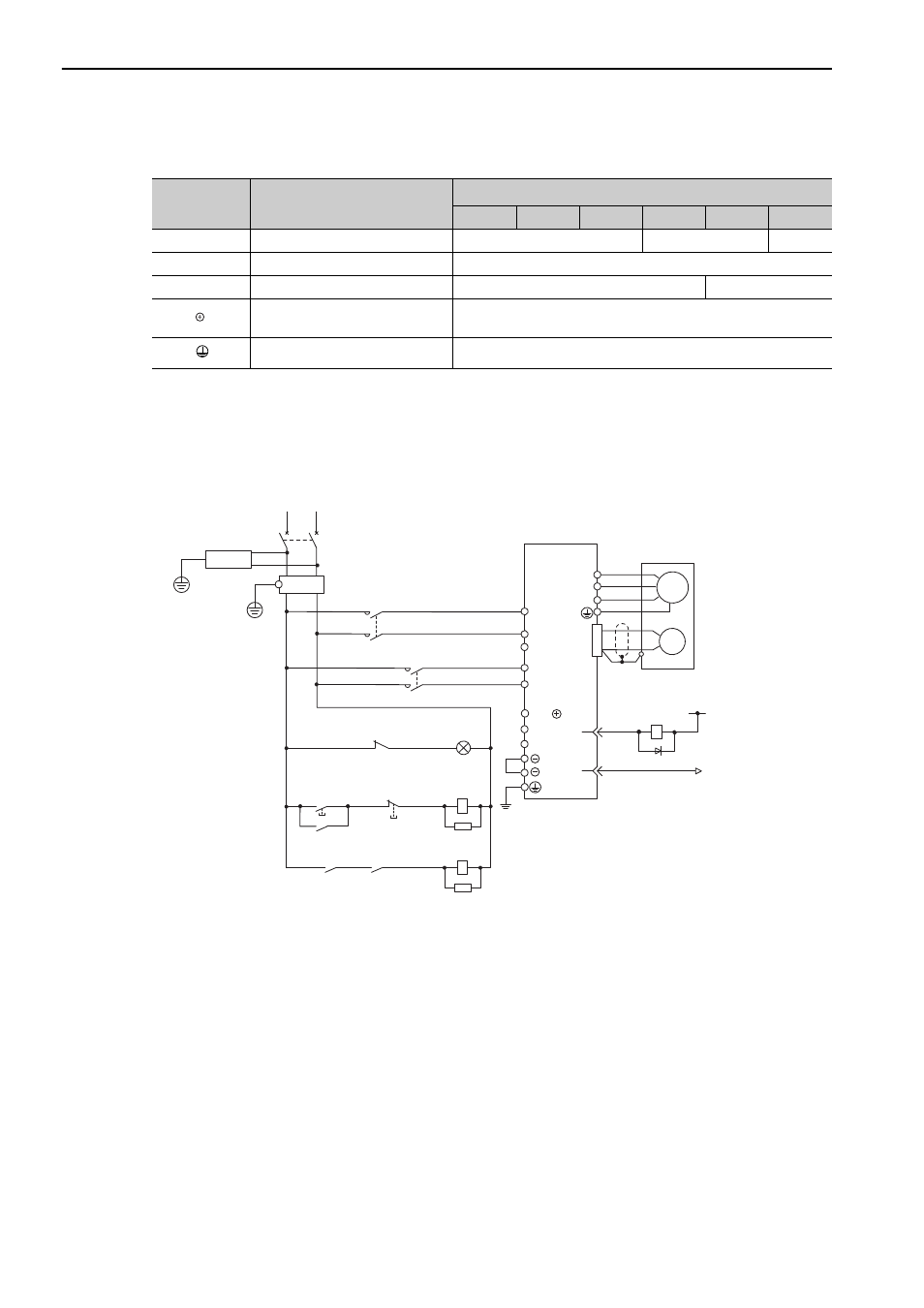
(4) Wiring Example with Single-phase 200-V Power Supply Input

SERVOPACK with Single-phase, 200-V Power Supply

Applicable SERVOPACK Model: SGDV-R70A, -R90A, -1R6A, -2R8A, -5R5A, and -120A11A008000.

Terminal

Symbols

Name

Model SGDV-

A (Unit: mm

2

)

R70

R90

1R6

2R8

5R5

120*

L1, L2

Main circuit power input terminals

HIV1.25

HIV2.0

HIV3.5

L1C, L2C

Control power input terminals

HIV1.25

U, V, W

Servomotor connection terminals

HIV1.25

HIV2.0

B1/ , B2

External regenerative resistor con-
nection terminals

HIV1.25

Ground terminal

HIV2.0 or larger

1PL

1KM

2KM

1SA

2SA

L1

0 V

1Ry

1D

2KM

L3

B2
B3

L2

U

V

W

M

1QF

R

T

1FLT

+24 V

ENC

1
2

L1C

1KM

L2C

3SA

B1/

+

3

4

CN1

1KM

1Ry

1KM

ALM

ALM

1Ry

1PL
1SA
2SA
3SA
1D:

: Indicator lamp
: Surge absorber
: Surge absorber
: Surge absorber
Flywheel diode

1QF: Molded-case circuit breaker
1FLT: Noise filter
1KM: Magnetic contactor (for control power supply)
2KM: Magnetic contactor (for main circuit power supply)
1Ry: Relay

SERVOPACK

SGDV-

A

(For servo

alarm display)

supply ON

Servo power

supply OFF

Servo power

MECHA

Advertising