Manuals
Directory
ManualsDir.com
- online owner manuals library
Search
Directory
Brands
Microsoft manuals
Camcorders
Surface Hub 2 SmCamera
Manual
Microsoft Surface Hub 2 SmCamera User Manual
Page 502
Text mode
Original mode
Advertising
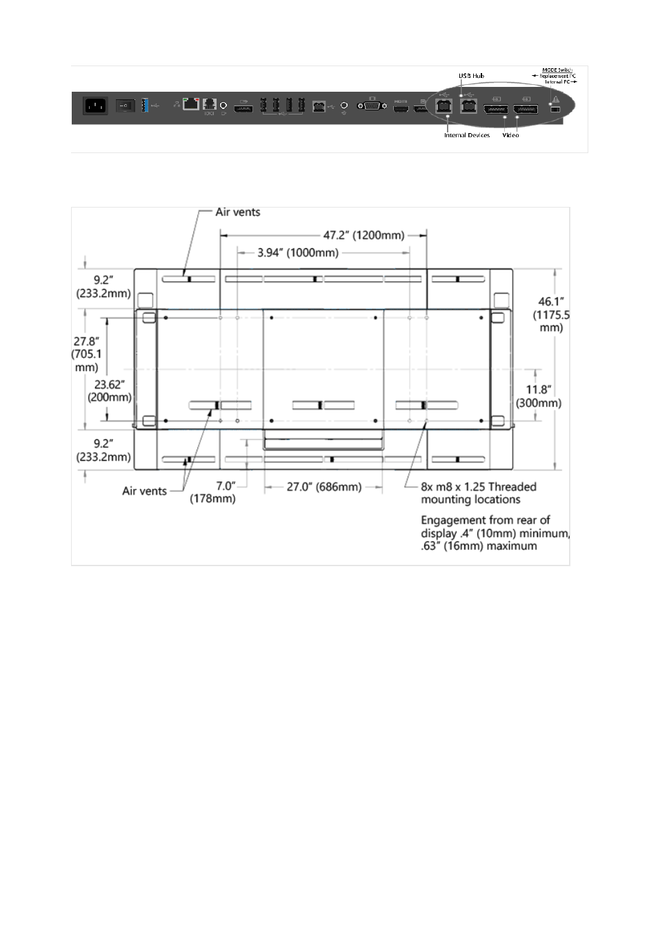
Replacement PC ports on 84" Surface Hub
Rear view of 84" Surface Hub
Clearances for 84" Surface Hub
Share
Pages:
1
…
500
501
502
503
504
…
572
Download
Complain
wrong Brand
wrong Model
non readable
Advertising